lemon-mirror:
Home >> Pontiac >> 2000 >> Firebird V6-3.8L VIN K >> Repair and Diagnosis >> Diagrams >> Components >> Modules >> Power Window Control Module

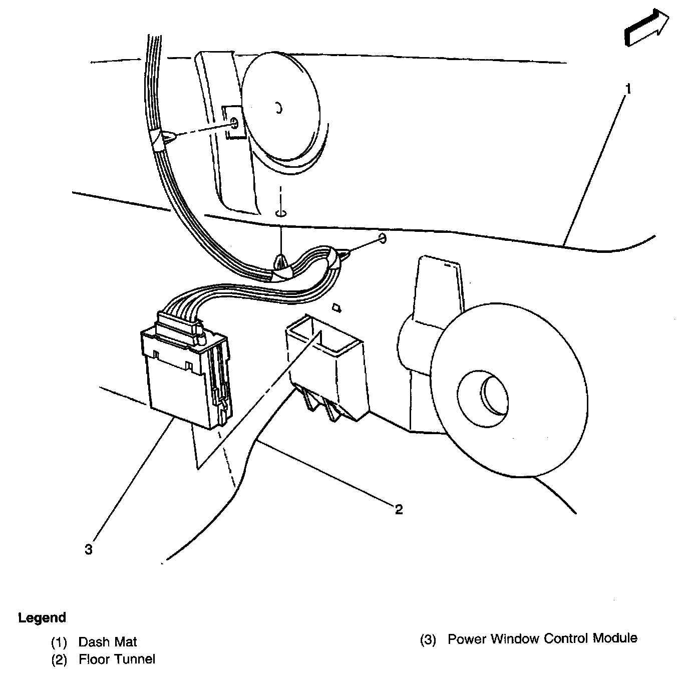
Power Window Control Module

Locations View:





Mounted to the center of the dash mat, above the floor tunnel