lemon-mirror:
Home >> Pontiac >> 2000 >> Firebird V6-3.8L VIN K >> Repair and Diagnosis >> Diagrams >> Components >> Modules >> Cruise Control Module (CCM)

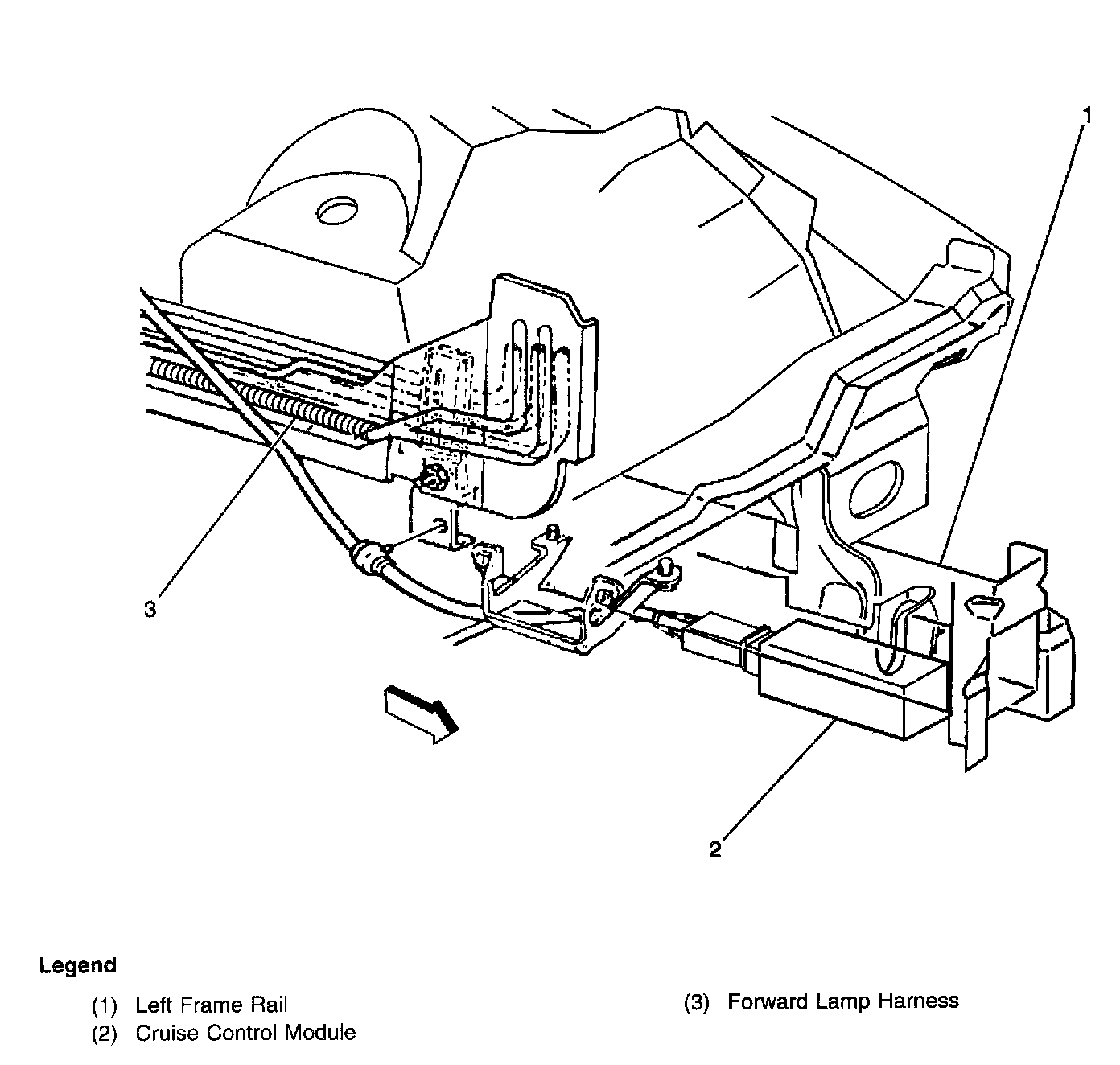
Cruise Control Module (CCM)

Locations View:





Mounted to the left frame rail, forward of the wheelhouse