lemon-mirror:
Home >> Pontiac >> 2000 >> Firebird V6-3.8L VIN K >> Repair and Diagnosis >> Diagrams >> Components >> Miscellaneous Components >> Lower Control Arm

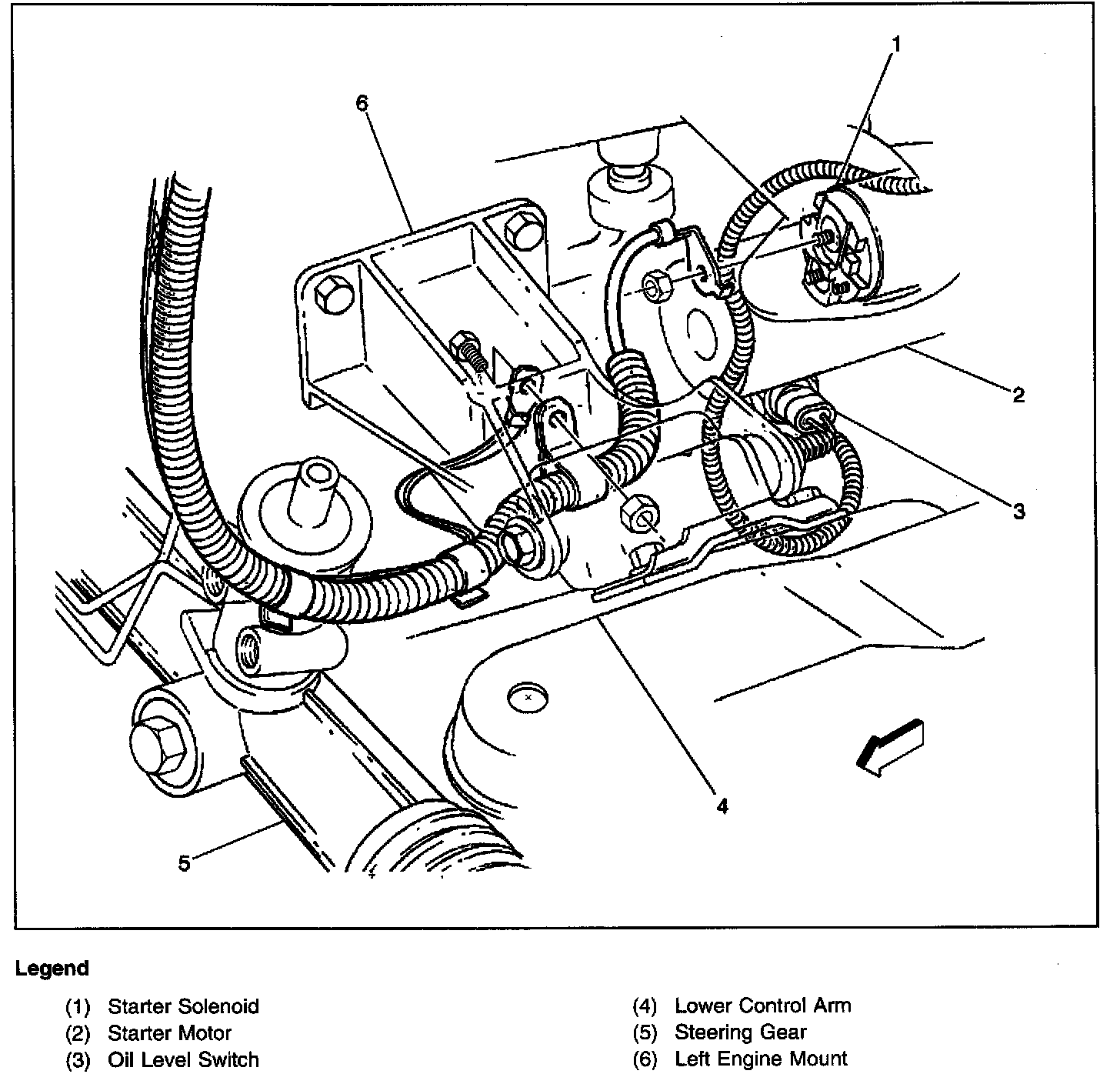
Lower Control Arm

Locations View - Lower Left Side Of Engine (V6 VIN K):