lemon-mirror:
Home >> Pontiac >> 1999 >> Sunfire L4-2.2L VIN 4 >> Repair and Diagnosis >> Diagrams >> Components >> Modules >> Passenger Inflator Module

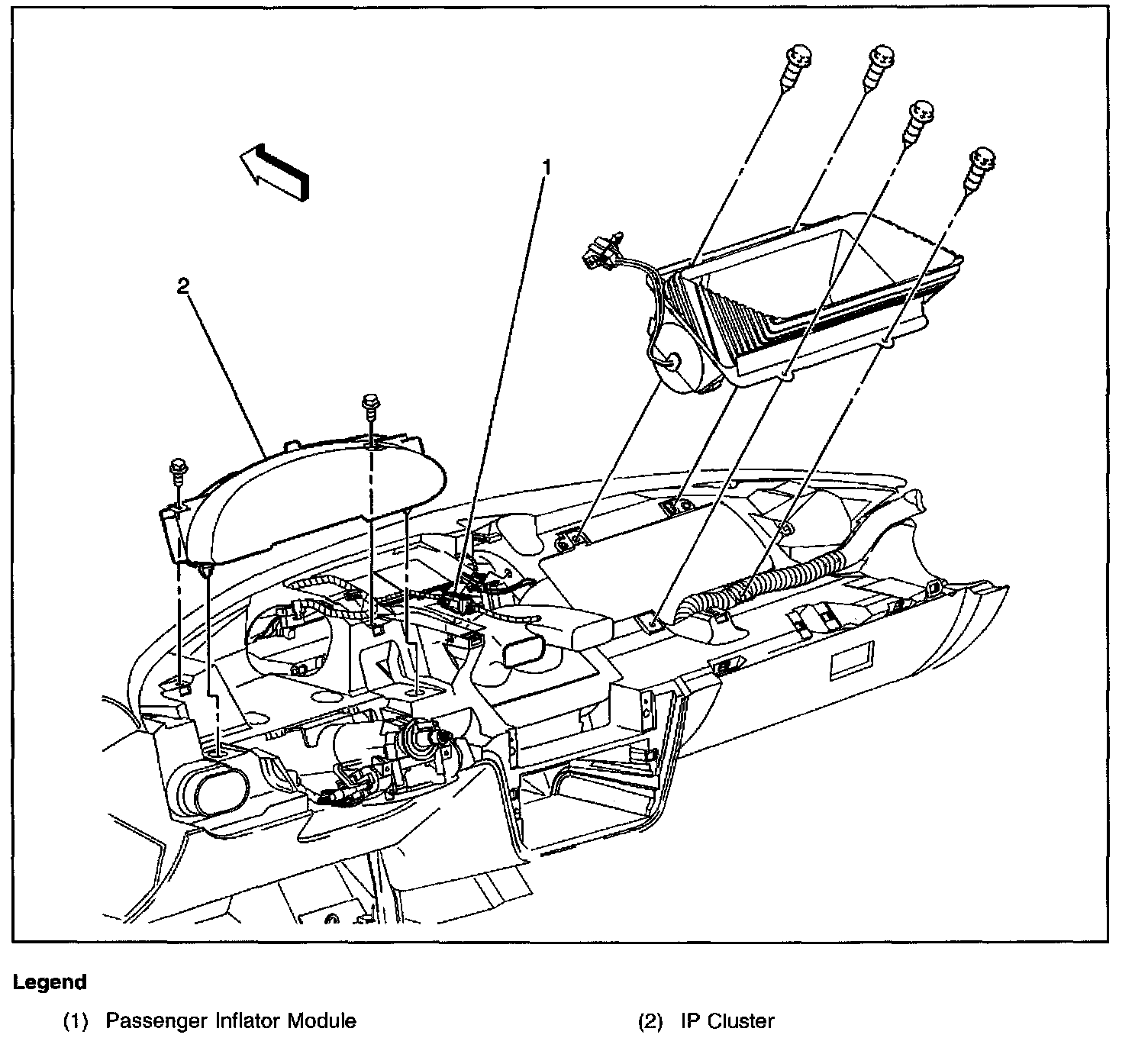
Passenger Inflator Module

Passenger Inflator Module And Instrument Panel Cluster:





At the right instrument panel