lemon-mirror:
Home >> Pontiac >> 1999 >> Sunfire L4-2.2L VIN 4 >> Repair and Diagnosis >> Diagrams >> Components >> Miscellaneous Components >> Radio Controls

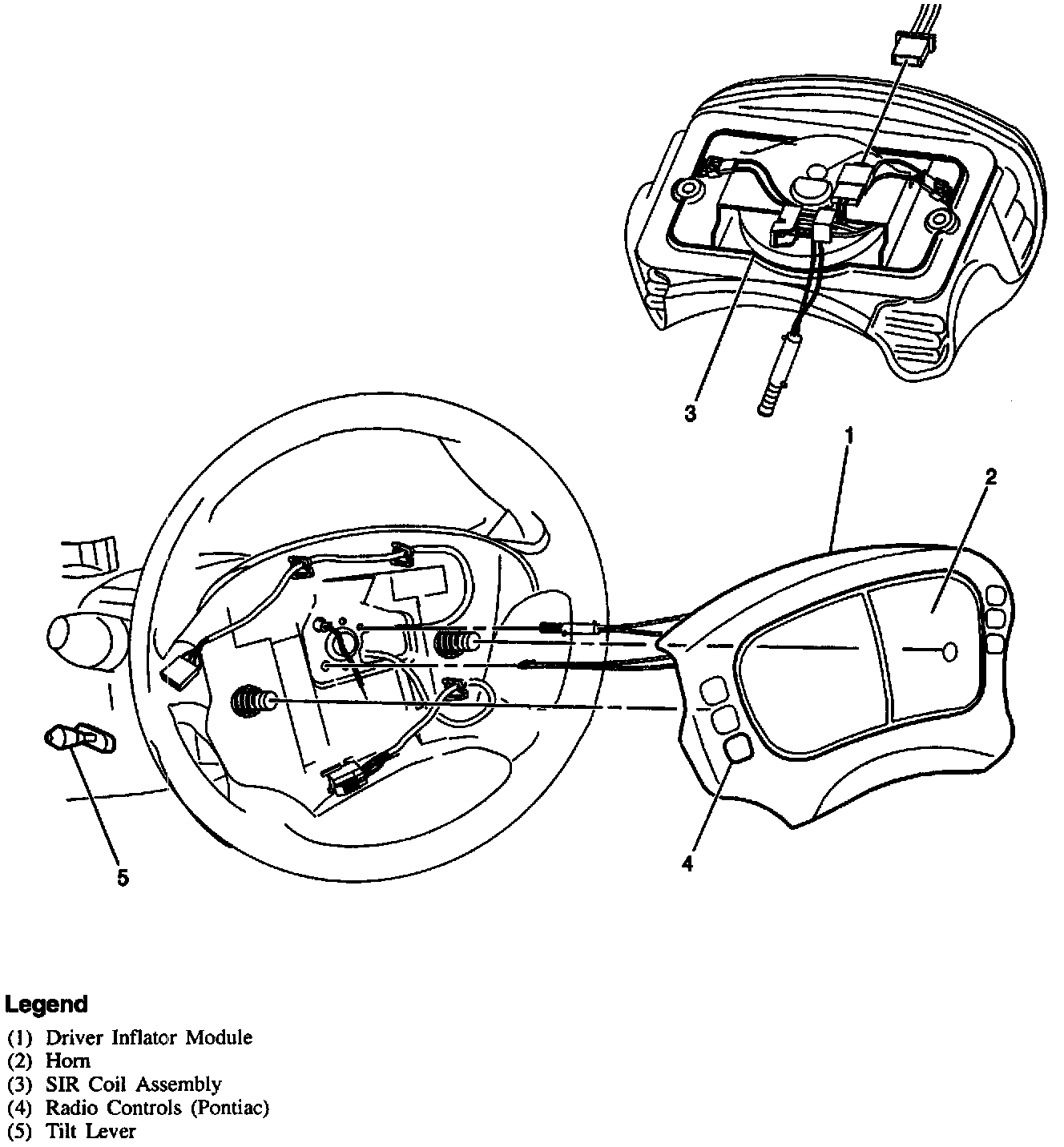
Radio Controls

Component Location Views: