lemon-mirror:
Home >> Pontiac >> 1998 >> Sunfire L4-2.2L VIN 4 >> Repair and Diagnosis >> Powertrain Management >> Computers and Control Systems >> Knock Sensor >> Locations

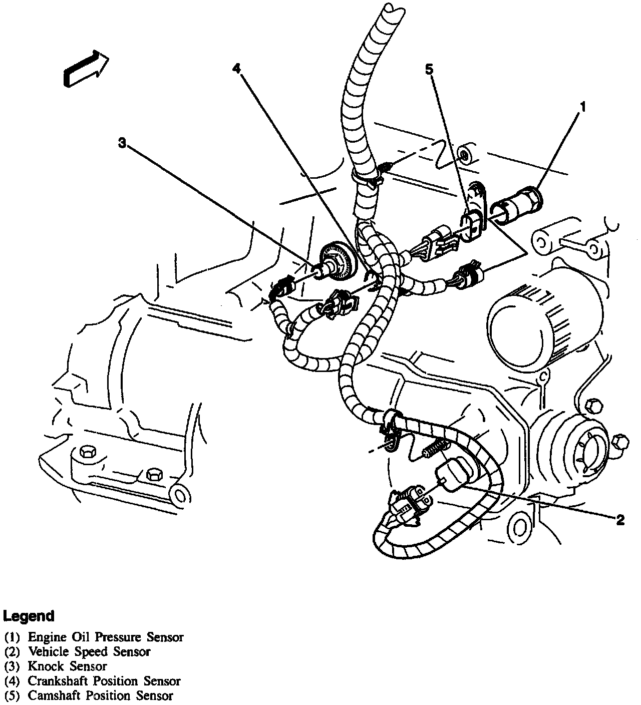
Knock Sensor: Locations

Component Location Views:




Component Location Views:




Component Location Views:




Component Location Views: