lemon-mirror:
Home >> Pontiac >> 1998 >> Sunfire L4-2.2L VIN 4 >> Repair and Diagnosis >> Locations >> Component Locations >> Modules >> Passenger Inflator Module

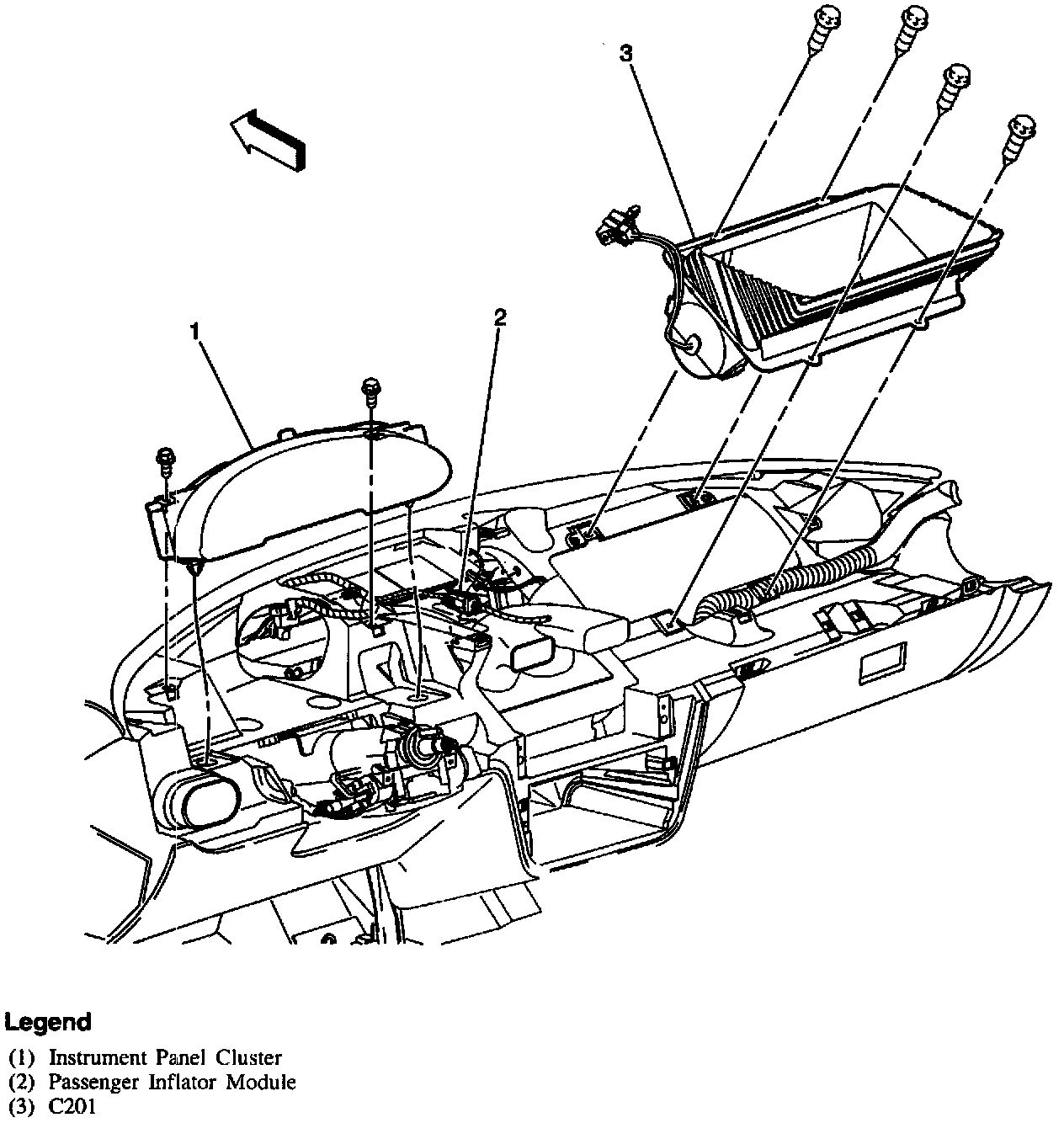
Passenger Inflator Module

Component Location Views: