lemon-mirror:
Home >> Pontiac >> 1998 >> Sunfire L4-2.2L VIN 4 >> Repair and Diagnosis >> Locations >> Component Locations >> Modules >> Driver Inflator Module

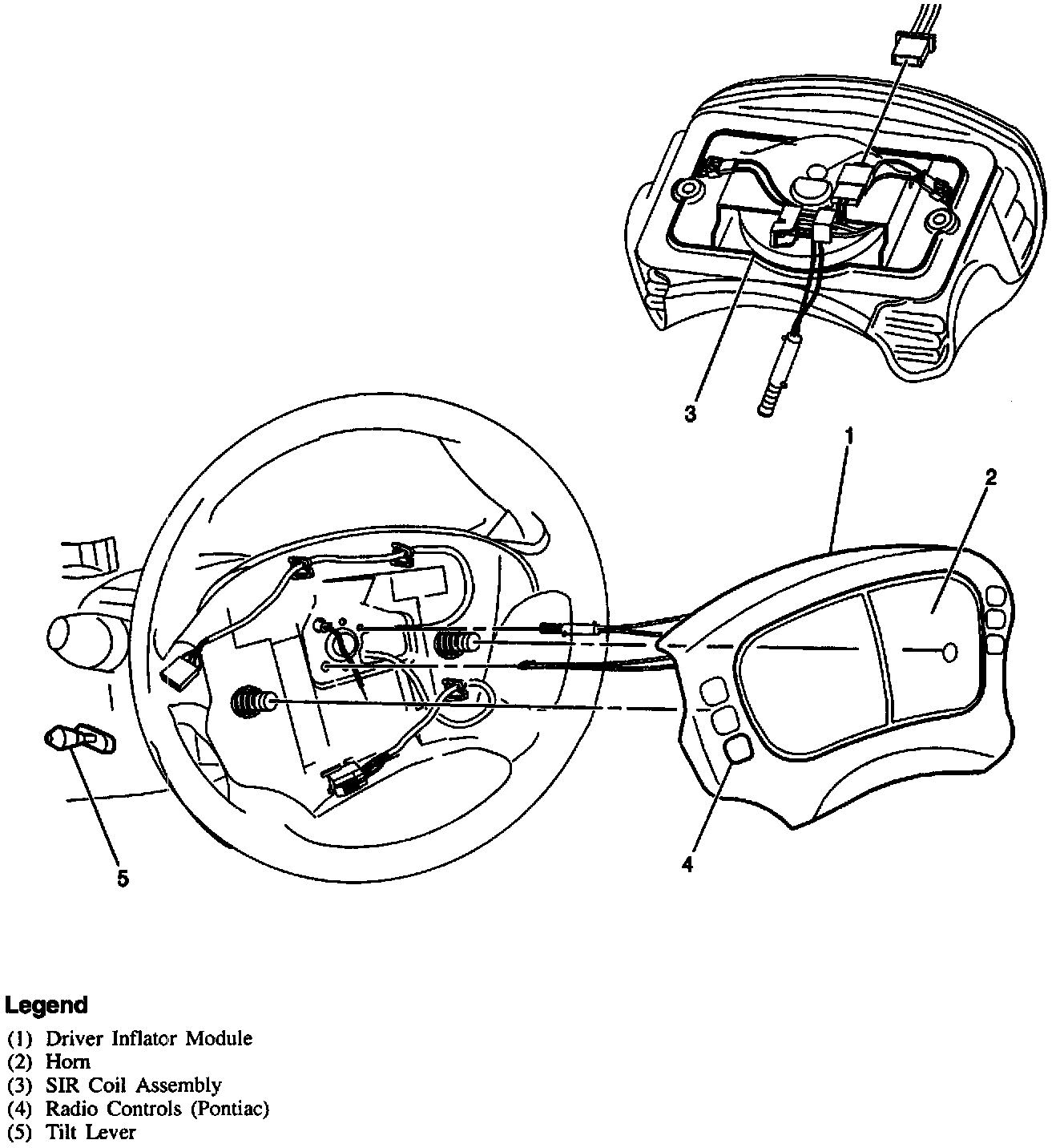
Driver Inflator Module

Component Location Views: