lemon-mirror:
Home >> Pontiac >> 1998 >> Sunfire L4-2.2L VIN 4 >> Repair and Diagnosis >> Diagrams >> Exploded Views >> Steering Column >> Standard Column

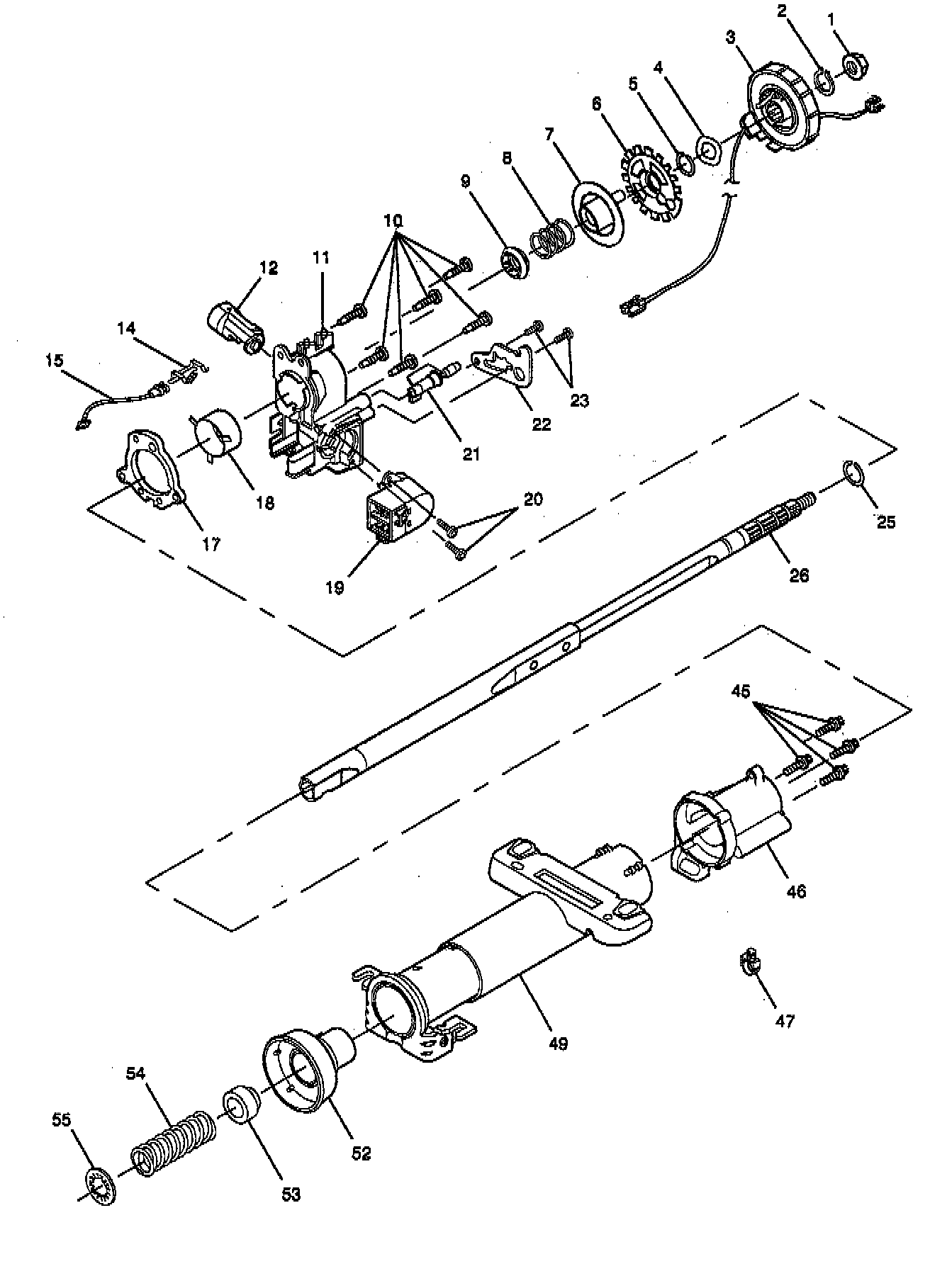
Standard Column

Standard Steering Column:



Standard Steering Column: