lemon-mirror:
Home >> Pontiac >> 1998 >> Sunfire L4-2.2L VIN 4 >> Repair and Diagnosis >> Body and Frame >> Locks >> Keyless Entry >> Keyless Entry Module >> Service and Repair

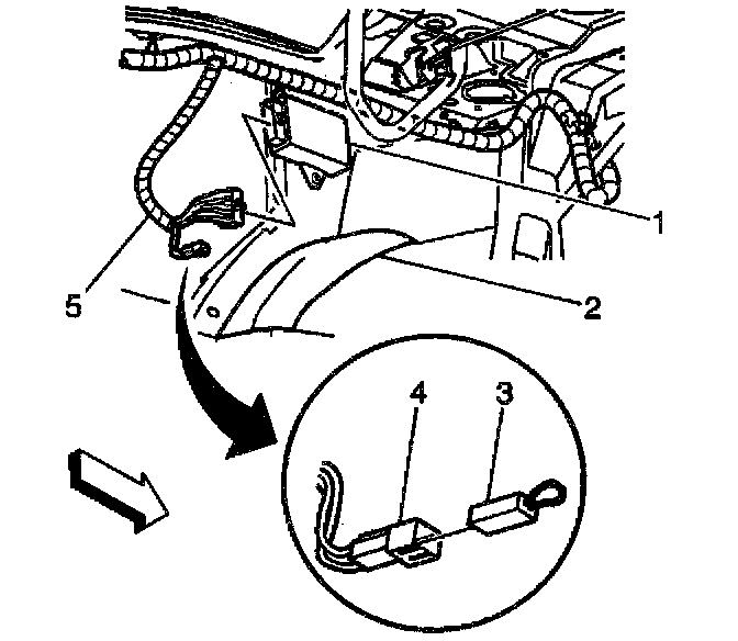
Keyless Entry Module: Service and Repair





REMOVAL PROCEDURE

CAUTION: Refer to Battery Disconnect Caution in Cautions and Notices.

1. Disconnect the negative battery cable.
2. Open the rear compartment.
3. Remove the left inner trim panel.
4. Disconnect one of the electrical connectors (3 or 4).
5. Remove the push pins.
6. Remove the remote control door lock receiver (1).


INSTALLATION PROCEDURE
1. Install the remote control door lock receiver (1) to the rear compartment brace.
2. Install the push pins to the brace.
3. Connect the electrical connector (3 or 4).
4. Install the rear compartment trim.
5. Close the rear compartment.
6. Connect the negative battery cable.
7. Reprogram the new receiver to the transmitter(s).