lemon-mirror:
Home >> Pontiac >> 1998 >> Firefly (CANADA) L4-1.3L >> Repair and Diagnosis >> Diagrams >> Components >> Miscellaneous Components >> Relay Box

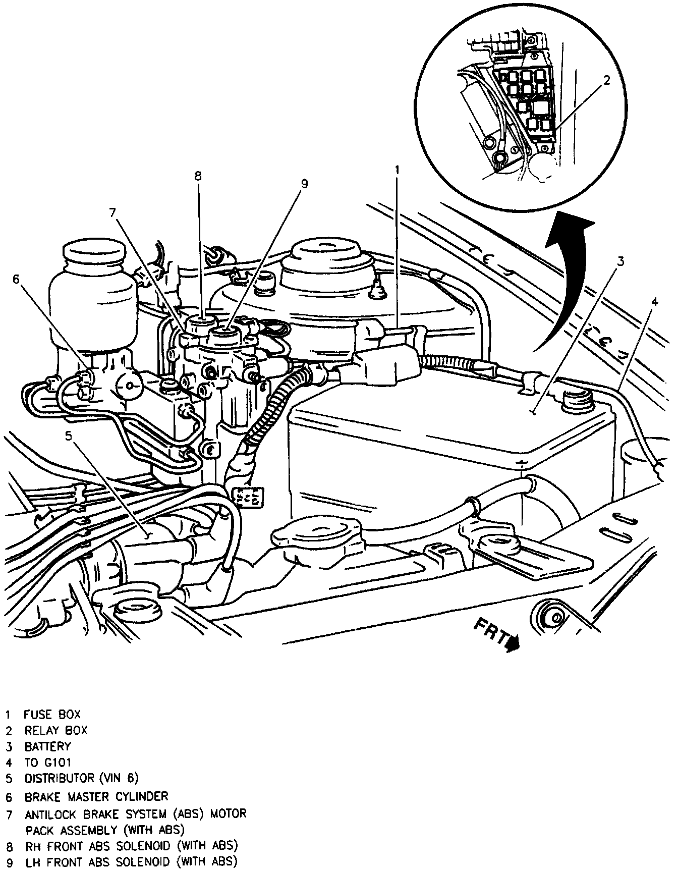
Relay Box

LH Engine Compartment (With ABS):