lemon-mirror:
Home >> Pontiac >> 1997 >> Firefly (CANADA) L4-1.3L >> Repair and Diagnosis >> Diagrams >> Exploded Views >> Alternator

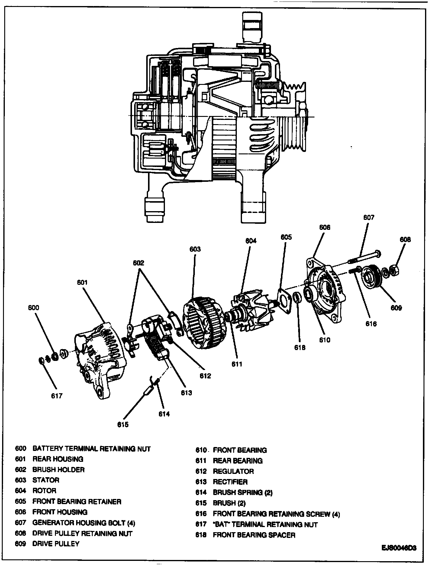
Alternator

Generator Components: