lemon-mirror:
Home >> Pontiac >> 1996 >> Sunfire L4-2.2L VIN 4 >> Repair and Diagnosis >> Powertrain Management >> Computers and Control Systems >> Throttle Position Sensor >> Locations >> Component Locations

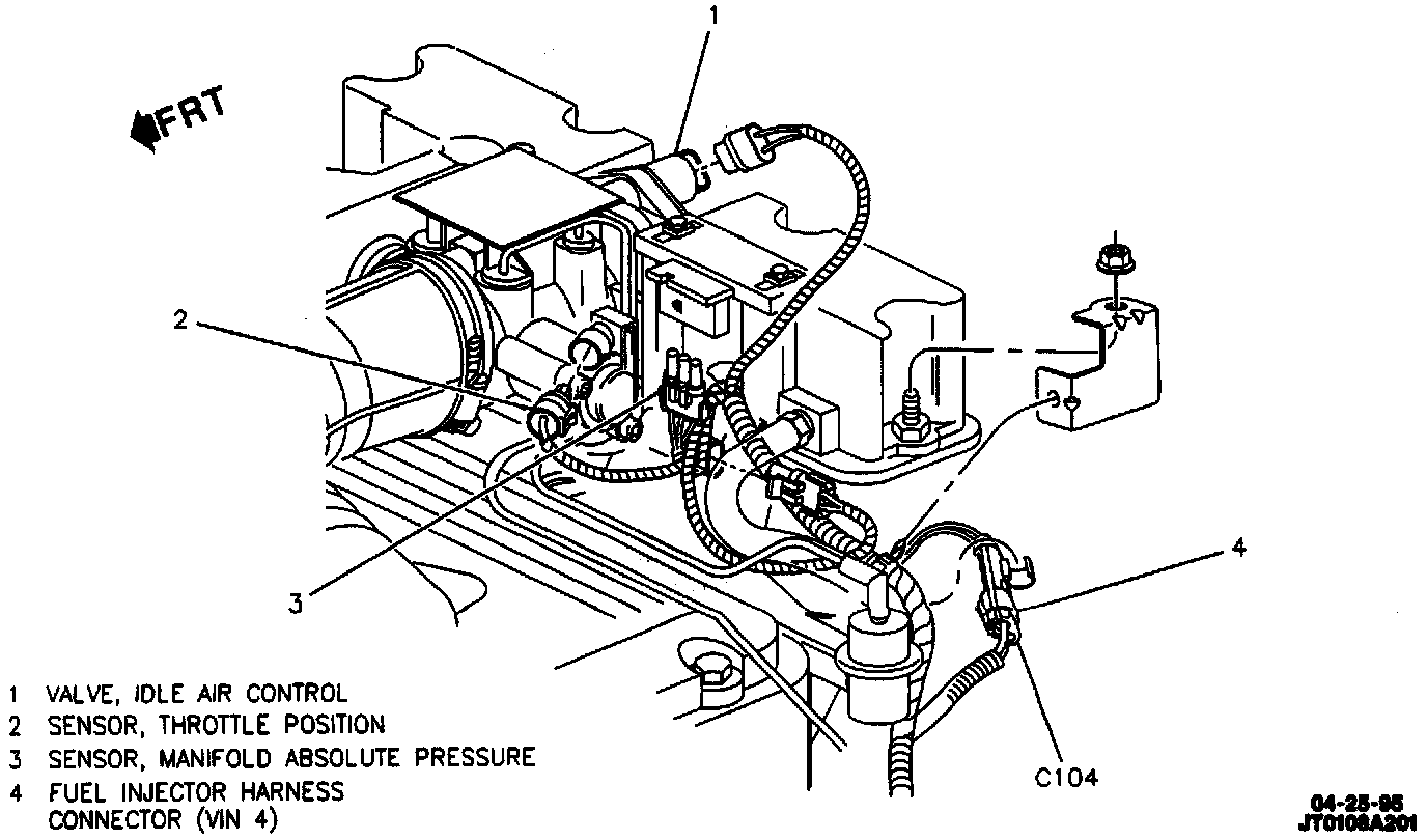
Component Locations

LH Top Of Engine Compartment: