lemon-mirror:
Home >> Pontiac >> 1996 >> Sunfire L4-2.2L VIN 4 >> Repair and Diagnosis >> Diagrams >> Components >> Miscellaneous Components >> A/C Condensor Assembly

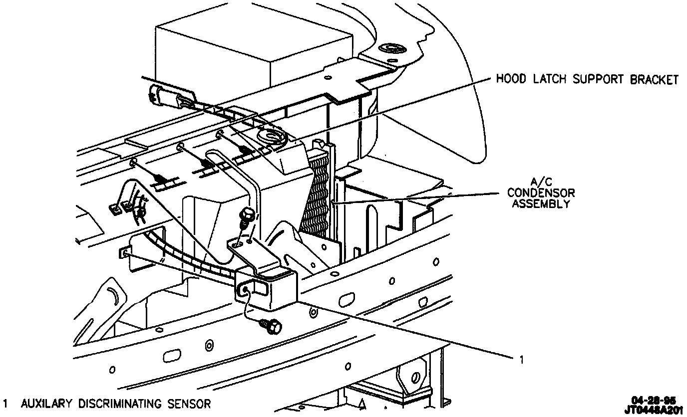
A/C Condensor Assembly

Front Center Of Engine Compartment: