lemon-mirror:
Home >> Pontiac >> 1995 >> Sunfire L4-2.2L VIN 4 >> Repair and Diagnosis >> Diagrams >> Exploded Views >> Steering Column >> Standard Column

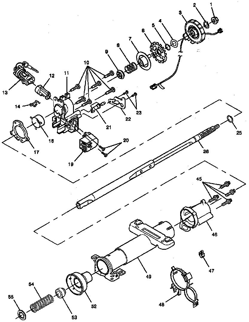
Standard Column

Exploded View Of Steering Column:






1-NUT, HEX LOCKING (M14x1.5)
2-RING, RETAINING
3-COIL ASM, SIR
4-WASHER, WAVE
5-RING, RETAINING
6-LOCK, SHAFT
7-CAM ASM, T/SIG CANCEL
8-SPRING, UPPER BEARING
9-SPACER, UPPER BEARING
10-SCREW, ADAPTER
11-HOUSING ASM, STRG COLUMN
12-ACTUATOR ASM, IGNITION LOCK
13-LOCK CYL SET, STRG COLUMN
14-SPRING, LOCK PRE-LOAD
17-PLATE, MOUNTING
18-RETAINER, BEARING
19-SWITCH ASM, IGNITION
20-SCREW, TAPPING
21-BOLT ASM, LOCK
22-BRACKET, LOCK BOLT SUPPORT
23-SCREW, TAPPING
25-RING, RETAINING
26-SHAFT ASM, STEERING
45-SCREW, SUPPORT
46-ADAPTER, SUPPORT MOUNTING
47- CLIP, WIRE RESTRAINT
48-STRAP, WIRE
49-JACKET ASM, STRG COL
52-BEARING ASM, ADAPTER &
53-SEAT, LOWER BEARING
54-SPRING, LOWER BEARING
55-RETAINER, LOWER SPRING


SERVICE KITS
201-GREASE SERV KIT, (SYNTHETIC)