lemon-mirror:
Home >> Pontiac >> 1995 >> Sunfire L4-2.2L VIN 4 >> Repair and Diagnosis >> Diagrams >> Exploded Views >> Intake Air Plenum >> Exploded View

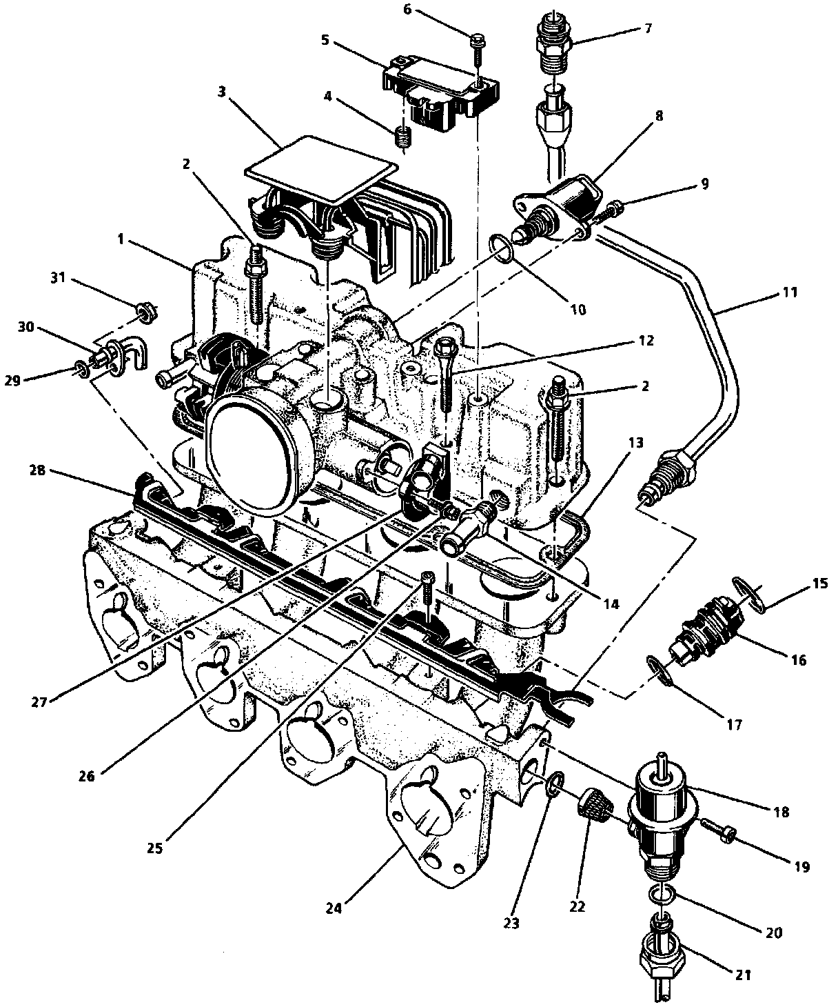
Exploded View

Upper And Lower Manifold Assemblies: