lemon-mirror:
Home >> Pontiac >> 1994 >> J2000/Sunbird L4-121 2.0L >> Repair and Diagnosis >> Diagrams >> Components >> Modules >> Lamp Dimmer Module

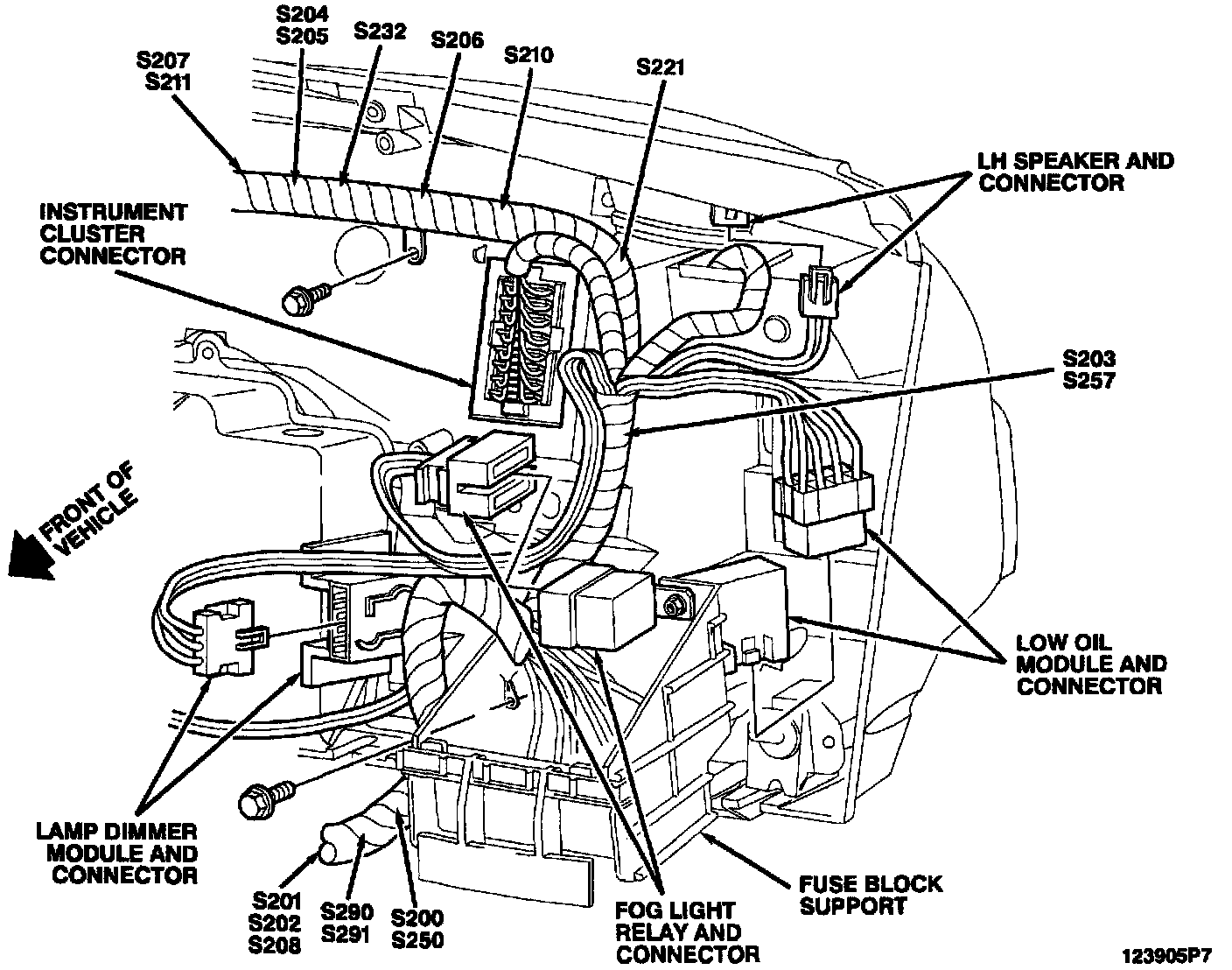
Lamp Dimmer Module

Behind LH Side Of I/P: