lemon-mirror:
Home >> Pontiac >> 1994 >> Firebird V8-350 5.7L >> Repair and Diagnosis >> Diagrams >> Components >> Modules >> Ignition Coil Module

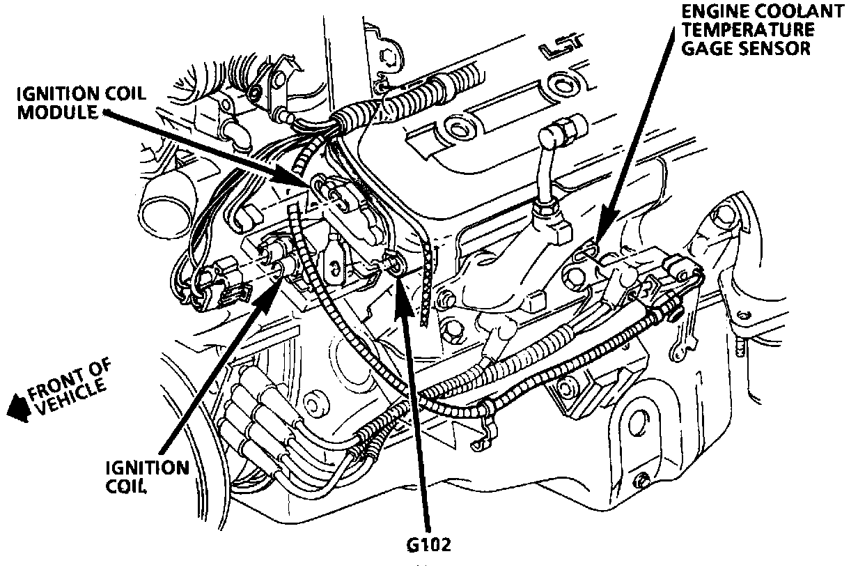
Ignition Coil Module

Front LH Side Of Engine: