lemon-mirror:
Home >> Pontiac >> 1994 >> Firebird V8-350 5.7L >> Repair and Diagnosis >> Diagrams >> Components >> Miscellaneous Components >> Left Front Frame Rail

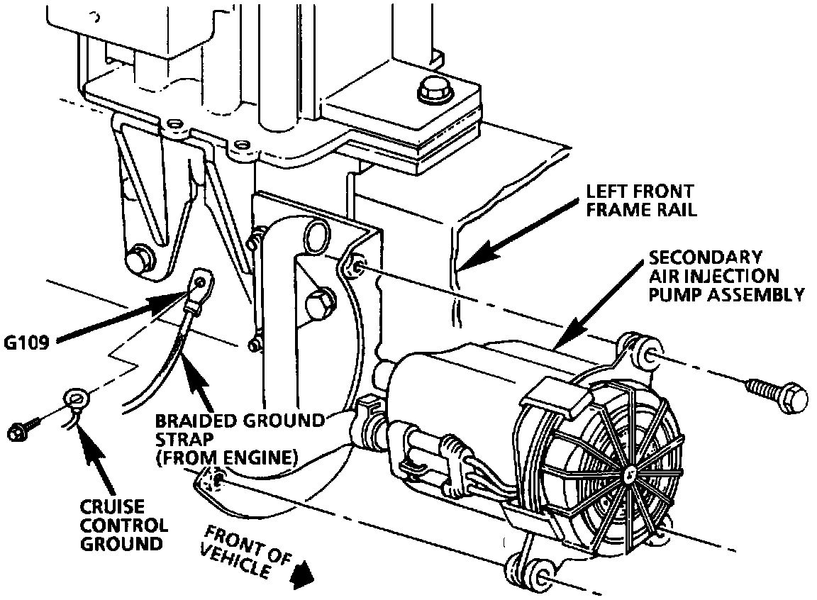
Left Front Frame Rail

LH Front Frame Rail: