lemon-mirror:
Home >> Pontiac >> 1992 >> J2000/Sunbird L4-121 2.0L >> Repair and Diagnosis >> Cruise Control >> Cruise Control Module >> Locations

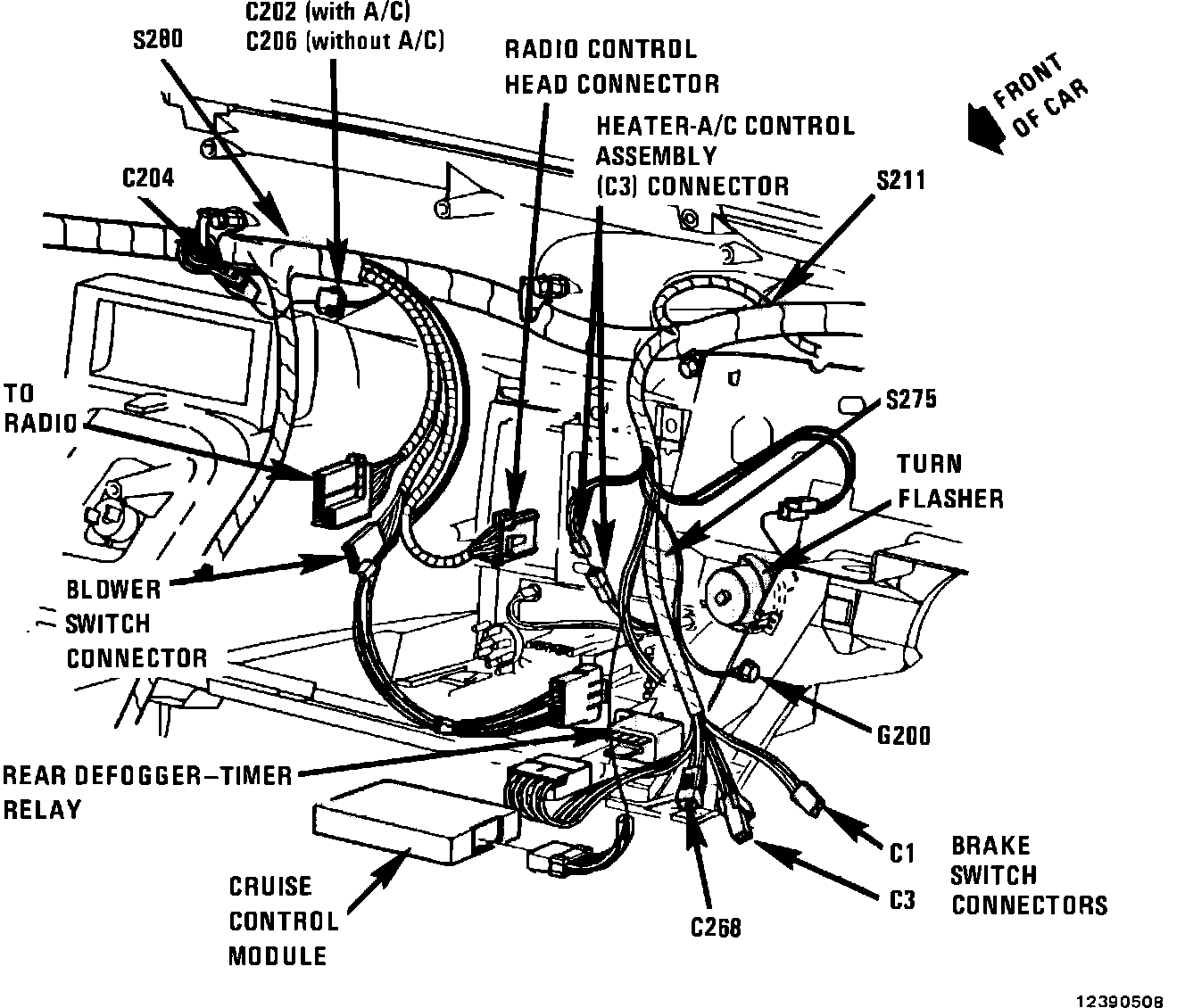
Cruise Control Module: Locations

Behind Center Of I/P: