lemon-mirror:
Home >> Pontiac >> 1992 >> Firebird V8-350 5.7L >> Repair and Diagnosis >> Powertrain Management >> Ignition System >> Distributor >> Service and Repair

Distributor: Service and Repair



HEI Distributor

Service Precautions

1. When making compression checks, disconnect the ignition switch feed wire at the distributor. When disconnecting this connector do not use a screwdriver or tool to release the locking tab as it may break.
2. No periodic lubrication is required. Engine oil lubricates the lower bushing and an oil-filled reservoir provides lubrication for the upper bushing.
3. The tachometer (TACH-C) terminal is next to the ignition switch (BAT+) connector on the distributor cap. The tachometer terminal must never be allowed to touch ground, as damage to the module and/or ignition coil can result. Some tachometers currently in use may not be compatible with the high energy ignition system. Consult the manufacturer of the tachometer if questions arise.
4. Dwell adjustment is controlled by the module and cannot be adjusted.
5. The material used to construct the spark plug cables is very soft. This cable will withstand more heat and carry a higher voltage, but scuffing and cutting become easier. The spark plug cables must be routed correctly to prevent chafing or cutting. When removing a spark plug wire from a spark plug, twist the boot on the spark plug and pull on the boot only.






Remove or Disconnect

1. Negative battery cable.
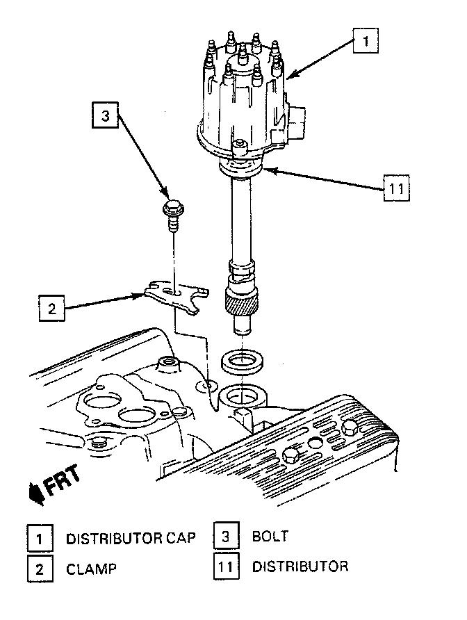
2. Wiring harness connectors at the side of the distributor cap (1).
3. Distributor cap (1) and move it out of the way. Note position of rotor and distributor housing in relation to engine.
4. Distributor clamp bolt (3) and hold-down clamp (2).
5. Distributor (11). Note position of rotor as distributor (11) is pulled up and mark final position.

Install or Connect

Notice: When fasteners are removed, always reinstall them at the same location from which they were removed. If a fastener needs to be replaced, use the correct part number fastener for that application. If the correct part number is not available, a fastener of equal size and strength (or stronger) may be used. Fasteners that are not reused, and those requiring a thread locking compound will be called out. The correct torque value must be used when installing fasteners that require it.If the above conditions are not followed, parts or system damage could result.

Important: To ensure correct timing of the distributor, the distributor must be installed with the rotor correctly positioned as noted.

1. Distributor (11).
2. Hold-down clamp (2) and distributor clamp bold (3). Tighten the distributor clamp bolt (3) to 36 Nm (27 ft. lbs.).
3. Distributor cap (1).
4. Wiring harness connector at the side of the distributor cap (1).
5. Negative battery cable.
- Check ignition timing.