lemon-mirror:
Home >> Pontiac >> 1992 >> Firebird V8-350 5.7L >> Repair and Diagnosis >> Powertrain Management >> Computers and Control Systems >> Electronic Spark Control Module >> Locations

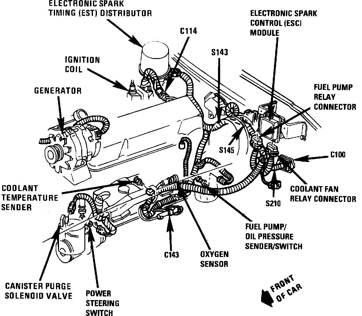
Electronic Spark Control Module: Locations

LH Side Of Engine Compartment: