lemon-mirror:
Home >> Pontiac >> 1992 >> Firebird V6-191 3.1L >> Repair and Diagnosis >> Diagrams >> Components >> Relays >> A/C Compressor Control Relay

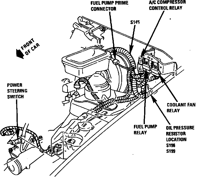
A/C Compressor Control Relay

LH Side Of Engine Compartment:




Engine Compartment Components.:





LH Side Of Engine Compartment

Applicable to: 1992 3.1L/V6-192