lemon-mirror:
Home >> Pontiac >> 1990 >> Grand AM L4-151 2.5L >> Repair and Diagnosis >> Heating and Air Conditioning >> Compressor HVAC >> Service and Repair >> Compressor Replacement

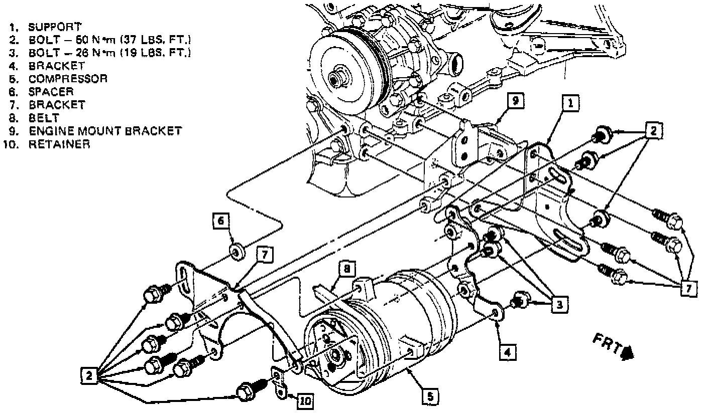
Compressor Replacement

Compressor Heat Shield - 2.5L(VIN U):




Compressor Mounting - 2.5L(VIN U):




REMOVE OR DISCONNECT
1. Negative battery cable.
2. Discharge A/C system.
3. Hoist vehicle.
4. Splash shield bolts.
5. Belt.
6. Front bracket bolts.
7. Manifold at compressor.
8. Wiring connector.
9. Bolts to compressor.
10. Compressor.

INSTALL OR CONNECT
1. Compressor.
2. Bolts to compressor and tension drive belt to specification.
3. Block fitting to compressor using new O-ring seals.
4 Front bracket.
5. Wiring connector.
6. Belt.
7. Splash shield bolts.
8. Lower vehicle.
9. Negative battery cable.
10. Evacuate and recharge A/C system (charge system with 1.02 kg (2.25 lbs.) of R-12.)