lemon-mirror:
Home >> Pontiac >> 1990 >> Firebird V8-350 5.7L >> Repair and Diagnosis >> Diagrams >> Exploded Views >> Cooling System

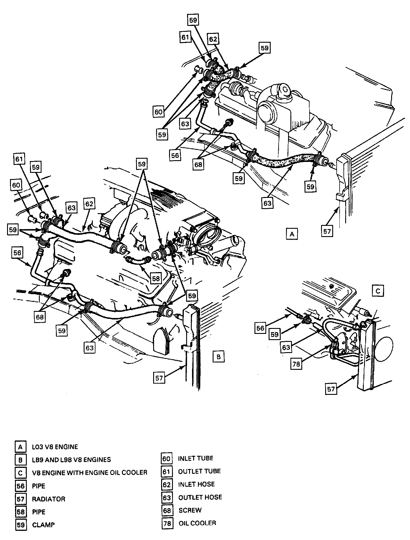
Cooling System