lemon-mirror:
Home >> Pontiac >> 1990 >> Firebird V6-191 3.1L >> Repair and Diagnosis >> Diagrams >> Components >> Miscellaneous Components >> Fuse Block

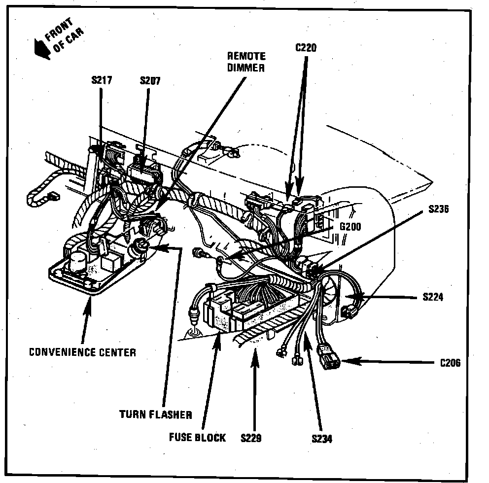
Fuse Block

Convenience Center:




Assembly Line Diagnostic (ALDL) Connector.:




Behind LH Side Of I/P

Applicable to: Firebird