lemon-mirror:
Home >> Pontiac >> 1990 >> 6000 V6-191 3.1L >> Repair and Diagnosis >> Diagrams >> Exploded Views >> Engine >> Cylinder Block Assembly

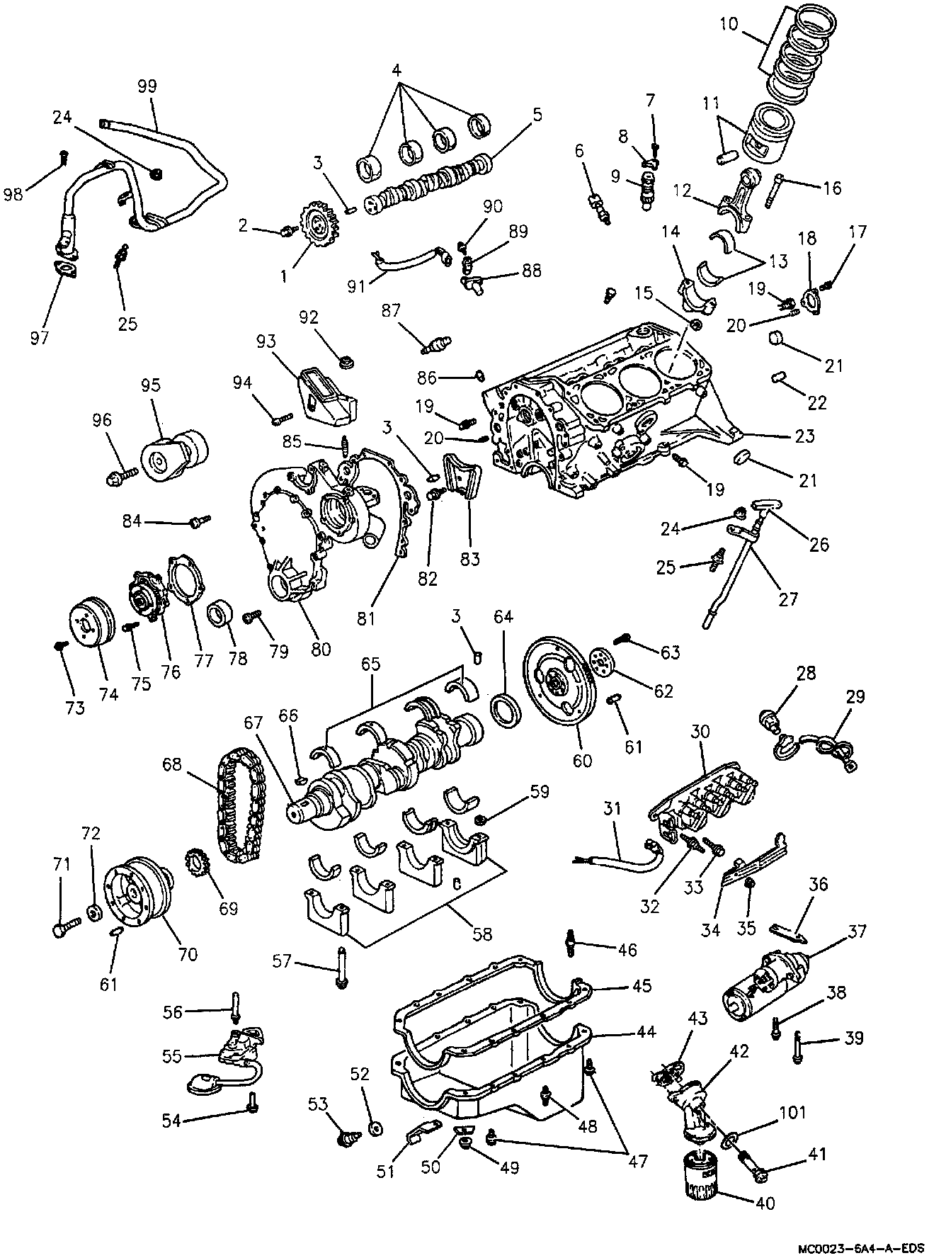
Cylinder Block Assembly

Exploded View Of Engine Block Assembly:






1. SPROCKET, CAMSHAFT
2. BOLT
3. PIN
4. BEARING, CAMSHAFT
5. CAMSHAFT
6. SWITCH, OIL PRESSURE
7. BOLT
8. CLAMP, OIL PUMP DRIVE
9. OIL PUMP DRIVE
10. RINGS, PISTON
11. PISTON, WITH PIN
12. ROD, CONNECTING
13. BEARING KIT, CONNECTING ROD
14. CAP, CONNECTING ROD
15. NUT
16. BOLT, CONNECTING ROD
17. BOLT WITH CONNECTING WASHER
18. CAMSHAFT COVER, REAR
19. PLUG, WATER DRAIN HOLE
20. PLUG, HEAD FILL
21. PLUG, ENGINE EXPANSION
22. PIN, TRANS DOWEL
23. BLOCK, ENGINE CYLINDER
24. NUT, OIL LEVEL TUBE
25. STUD, ENG COOLING BYPASS PIPE
26. INDICATOR, OIL LEVEL
27. TUBE, OIL LEVEL INDICATOR
28. HEATER, ENGINE BLOCK
29. CORD, ENGINE BLOCK HEATER
30. COIL, IGNITION
31. WIRE, IGNITION TIMING SENSOR
32. STUD, IGNITION WIRE BRACKET
33. BOLT
34. BRACKET, IGNITION WIRE RETAINER
35. NUT
36. SHIM, STARTER
37. MOTOR, STARTER
38. BOLT, STARTER OUTBOARD HOLE
39. BOLT, STARTER INBOARD HOLE
40. FILTER, OIL
41. RETAINER, OIL FILTER ADAPTER
42. ADAPTER, OIL FILTER
43. GASKET, OIL FILTER ADAPTER
44. PAN, ENGINE OIL
45. GASKET, OIL PAN
46. STUD, OIL PAN BOLT, OIL PAN
47. BOLT, OIL PAN
48. STUD, OIL PAN NUT
49. NUT
50. REINFORCEMENT, OIL PAN
51. CLIP, WIRING HARNESS
52. GASKET, OIL PAN DRAIN PLUG
53. PLUG, OIL PAN DRAIN
54. BOLT
55. PUMP, OIL
56. SHAFT, OIL PUMP DRIVE
57. BOLT, CRANKSHAFT BEARING CAP
58. CAP, CRANKSHAFT BEARING
59. 0-RING, REAR BEARING CAP
60. FLYWHEEL, ENGINE
61. PIN, GROOVE
62. RETAINER, FLYWHEEL
63. BOLT, FLYWHEEL
64. SEAL, CRANKSHAFT REAR OIL
65. BEARING KIT CRANKSHAFT
66. KEY
67. CRANKSHAFT, ENGINE
68. CHAIN, TIMING
69. SPROCKET, CRANKSHAFT
70. DAMPER, TORSIONAL
71. BOLT, TORSIONAL DAMPER
72. WASHER
73. BOLT
74. PULLEY, COOLANT PUMP
75. BOLT, COOLANT PUMP
76. PUMP KIT, COOLANT
77. GASKET, COOLANT PUMP
78. SEAL, FRONT COVER OIL
79. BOLT, FRONT COVER
80. COVER, FRONT ENGINE
81. GASKET, FRONT ENGINE COVER
82. BOLT
83. DAMPER,TIMING CHAIN
84. BOLT, FRONT COVER
85. STUD, DRIVE BELT SHIELD
86. PIN, CYLINDER HEAD DOWEL
87. SENSOR, ESC KNOCK
88. SENSOR, IGNITION TIMING
89. RETAINER, WIRING CLIP
90. BOLT, WIRING CLIP RETAINER
91. WIRE, IGNITION TIMING SENSOR
92. NUT
93.SHIELD, DRIVE BELT
94. BOLT, DRIVE BELT SHIELD
95. TENSIONER, DRIVE BELT
96. BOLT, DRIVE BELT TENSIONER
97. GASKET, COOLANT BYPASS PIPE
98. SCREW
99. PIPE, COOLANT BYPASS