lemon-mirror:
Home >> Pontiac >> 1990 >> 6000 V6-191 3.1L >> Repair and Diagnosis >> Diagrams >> Components >> Relays >> A/C Compressor Control Relay

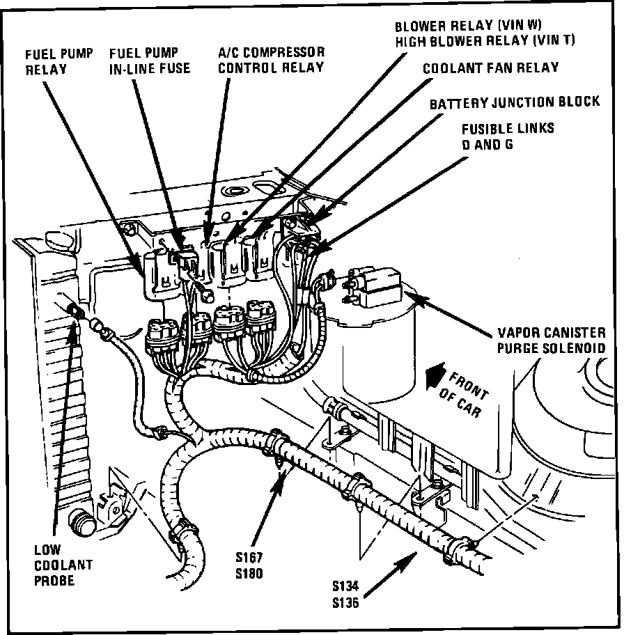
A/C Compressor Control Relay

RH Front Of Engine Compartment.:




RH Front Of Engine Compartment, On Bracket

Applicable to: 6000 w/V6