lemon-mirror:
Home >> Pontiac >> 1988 >> Fiero L4-151 2.5L >> Repair and Diagnosis >> Powertrain Management >> Computers and Control Systems >> Vehicle Speed Sensor >> Locations

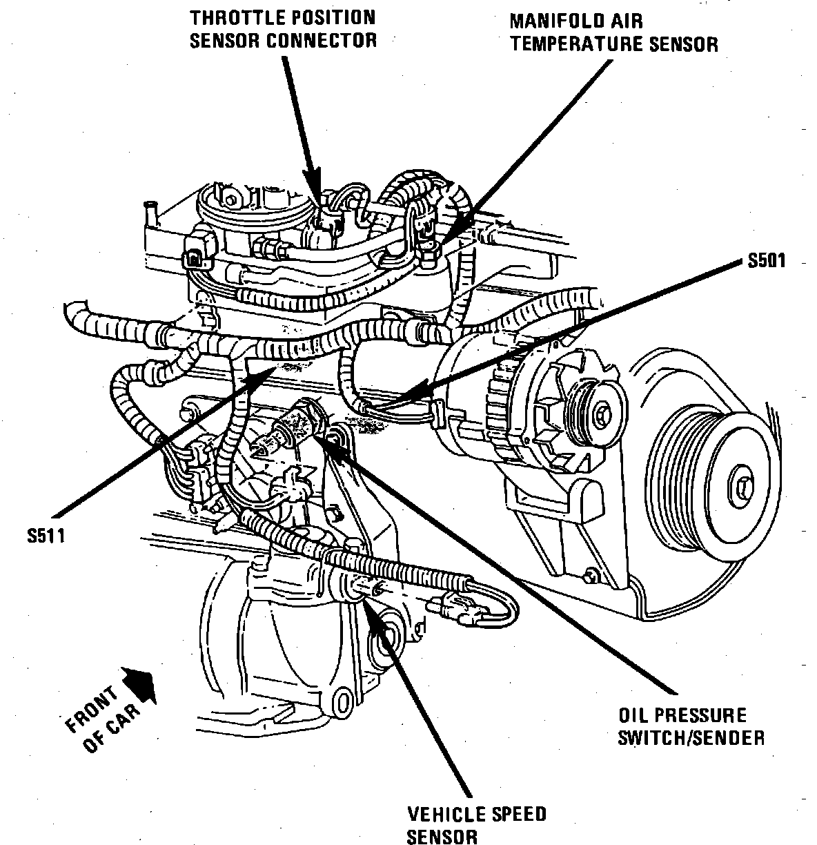
Vehicle Speed Sensor: Locations

RH Rear Of 4-150/2.5L:




On Transaxle

Applicable to: 5L Engine