lemon-mirror:
Home >> Pontiac >> 1987 >> Firebird V8-350 5.7L >> Repair and Diagnosis >> Diagrams >> Components >> Miscellaneous Components >> Junction Block

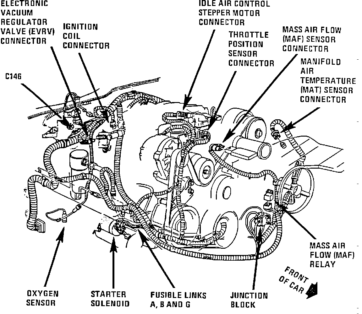
Junction Block

RH side of engine compartment:




RH Side Of Radiator Support Bracket