lemon-mirror:
Home >> Pontiac >> 1987 >> Firebird V6-173 2.8L >> Repair and Diagnosis >> Locations >> Component Locations >> Modules >> Headlamp Door Module

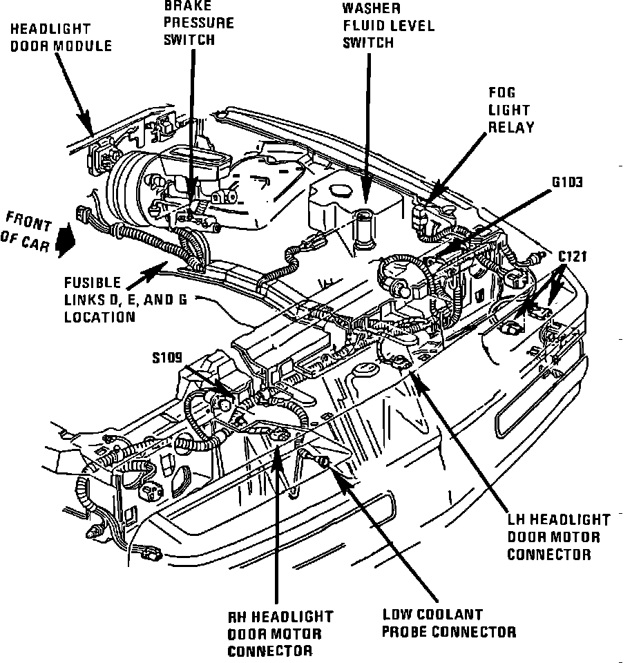
Headlamp Door Module

Engine compartment:




LH Front Of Dash