lemon-mirror:
Home >> Pontiac >> 1987 >> Fiero L4-151 2.5L >> Repair and Diagnosis >> Diagrams >> Components >> Miscellaneous Components >> A/C Compressor Diode

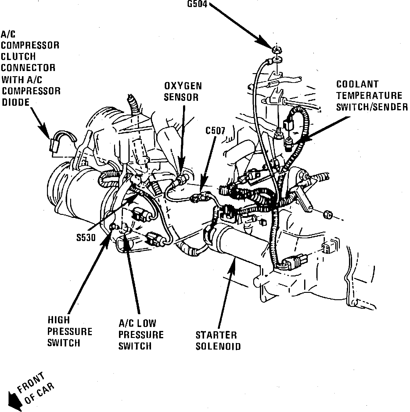
A/C Compressor Diode

Front Of Engine.:




Taped Inside Compressor Clutch Connector

Applicable to: 1987 4-150/2.5L