lemon-mirror:
Home >> Pontiac >> 1987 >> 6000 L4-151 2.5L >> Repair and Diagnosis >> Powertrain Management >> Computers and Control Systems >> Air Flow Meter/Sensor Relay >> Locations

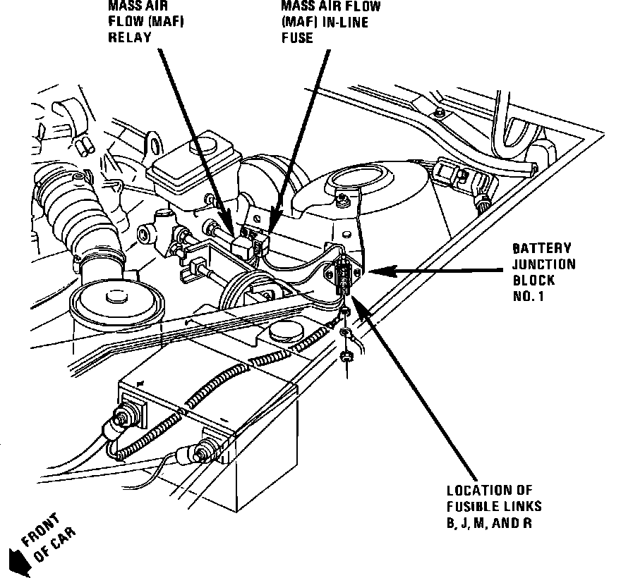
Air Flow Meter/Sensor Relay: Locations

LH Side Of Engine Compartment.:




On Bracket In Front Of LH Shock Tower

Applicable to: V6-173, VIN W Engine