lemon-mirror:
Home >> Pontiac >> 1986 >> Firebird L4-151 2.5L >> Repair and Diagnosis >> Diagrams >> Components >> Modules >> Electronic Spark Control (ESC) Module

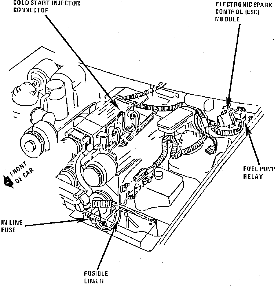
Electronic Spark Control (ESC) Module

LH side of engine compartment:




LH Rear Corner Of Engine Compartment On Bracket