lemon-mirror:
Home >> Pontiac >> 1985 >> J2000/Sunbird L4-112 1.8L >> Repair and Diagnosis >> Powertrain Management >> Computers and Control Systems >> Knock Sensor >> Testing and Inspection

Knock Sensor: Testing and Inspection

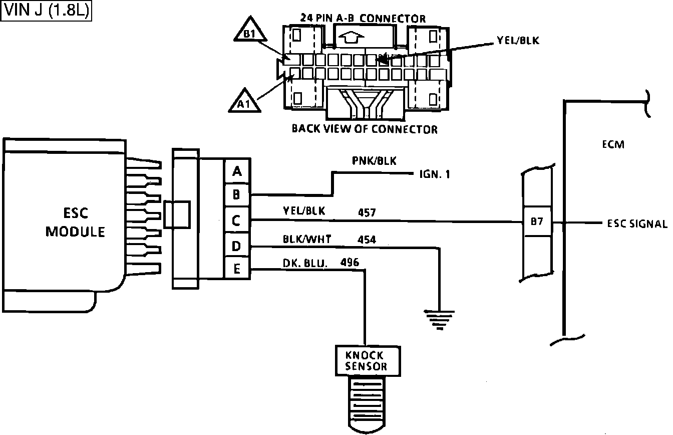
Fig. 019 - WIRING DIAGRAM for Chart C-5 Electronic Spark Control System Check. VIN J:





CHART C-5

ELECTRONIC SPARK CONTROL (ESC)

1.8L TURBO "J" SERIES

Electronic spark control is accomplished with a module that sends a voltage signal to the ECM. As the knock sensor detects engine knock, the voltage from the ESC module to the ECM is shut off and this signals the ECM to retard timing.


Fig. 018 - Chart C-5 - Electronic Spark Control System Check:





1. Road test procedure: Road test with engine at normal operating temperature, diagnostic terminal grounded and "SERVICE ENGINE SOON" light flashing "Close Loop." Note "SERVICE ENGINE SOON" light on normal to heavy acceleration from 30-40 MPH (48 km/h64 km/h). If ESC is OK, the "SERVICE ENGINE SOON" light will flash 5 times per second for 3 seconds.

Engine timing is higher than normal in the field service mode (diagnostic terminal grounded and engine running) assuring spark knock on acceleration. A knock sensor that is OK will sense the knock and pull CKT 457 voltage low causing spark to retard. The ECM will respond and flash the "SERVICE ENGINE SOON" light.

Shop Test Procedure:
2. To see if ESC can detect knock and retard the timing without road testing.
3. By disconnecting the ESC module, the ECM sees low voltage at Terminal "B7 " and should retard timing. After approximately 4 seconds, "SERVICE ENGINE SOON" light will come "ON" and Code 43 will be stored.
4. Checks for proper voltage output (measured on A.C. scale) of knock sensor. Low or no voltage would indicate an open circuit to Terminal "E" or faulty sensor.
5. Checks to see if constant retard is due to a fautly knock sensor or module, or if a false from the knock sensor by induction from an adjacent wire, such as a spark plug wire,ignition wire, etc. Reroute wires as necessary.