lemon-mirror:
Home >> Pontiac >> 1985 >> Grand Prix V8-305 5.0L >> Repair and Diagnosis >> Diagrams >> Components >> Modules >> Electronic Control Module (ECM)

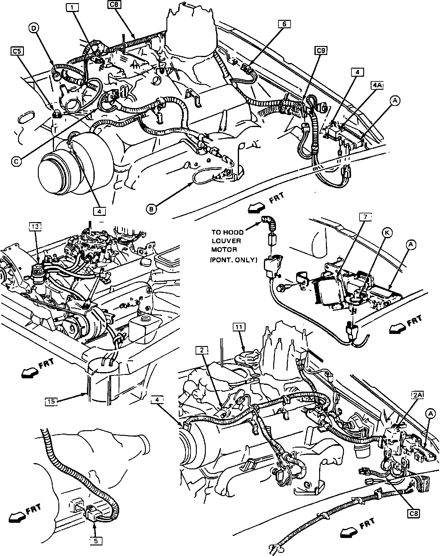
Electronic Control Module (ECM)

ECM Wiring Harness (Part 1 Of 2).:




ECM Wiring Harness (Part 2 Of 2).:




Underhood Component Locations.:




RH Shroud Behind Kick Panel

Applicable to: 1985 V8-305/5.0L Engine