lemon-mirror:
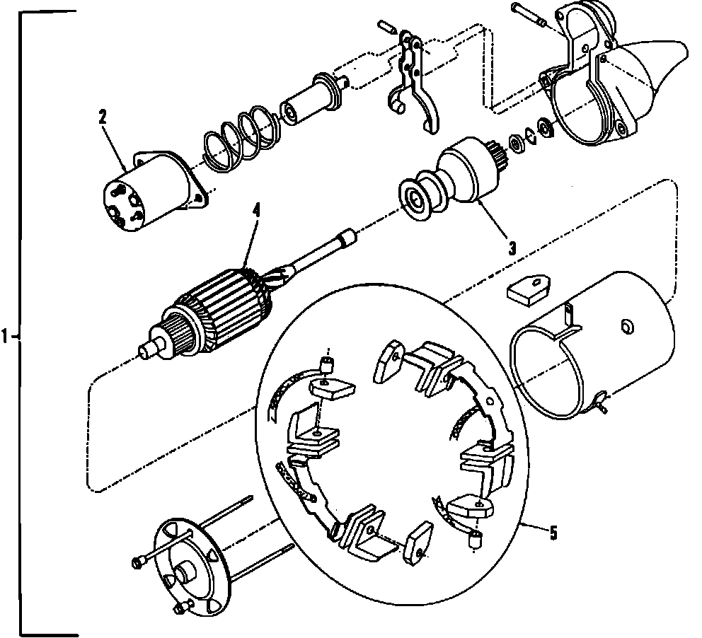
Home >> Pontiac >> 1985 >> Grand AM L4-151 2.5L >> Parts and Labor >> Starting and Charging >> Starting System >> Images

Images

Starting System: