lemon-mirror:
Home >> Pontiac >> 1985 >> Firebird V8-305 5.0L >> Repair and Diagnosis >> Powertrain Management >> Computers and Control Systems >> Air Flow Meter/Sensor Relay >> Locations

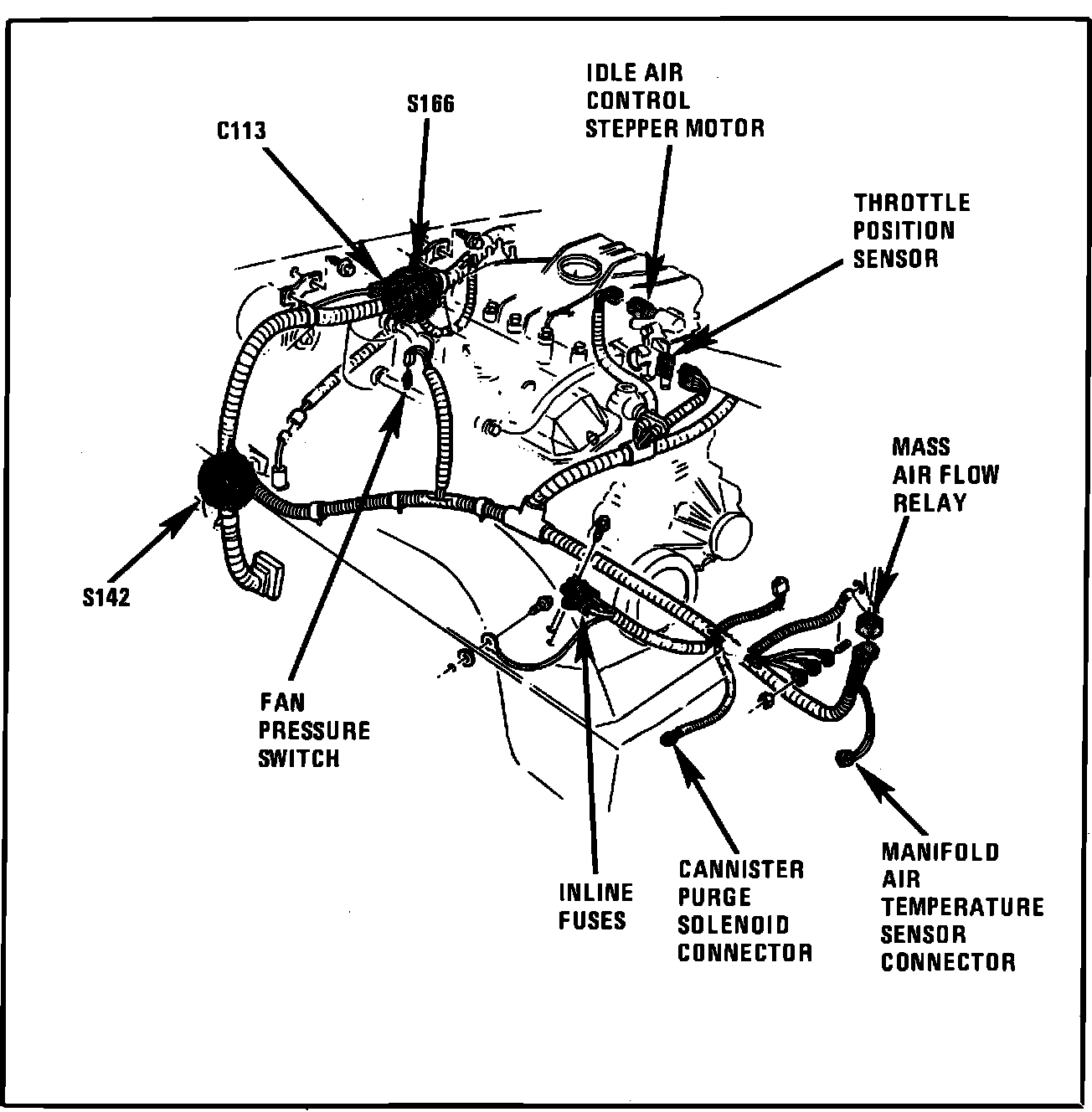
Air Flow Meter/Sensor Relay: Locations

RH Side Of Engine:




RH Front Of Car

Applicable to: 1984-85