lemon-mirror:
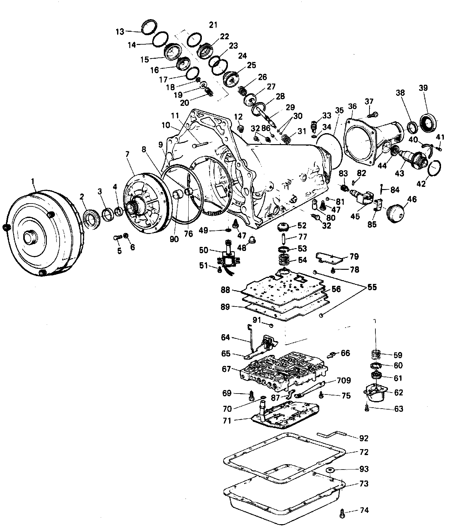
Home >> Pontiac >> 1985 >> Firebird L4-151 2.5L >> Repair and Diagnosis >> Diagrams >> Exploded Views >> Automatic Transmission/Transaxle

Automatic Transmission/Transaxle