lemon-mirror:
Home >> Pontiac >> 1985 >> Fiero L4-151 2.5L >> Repair and Diagnosis >> Diagrams >> Components >> Modules >> Electronic Control Module (ECM)

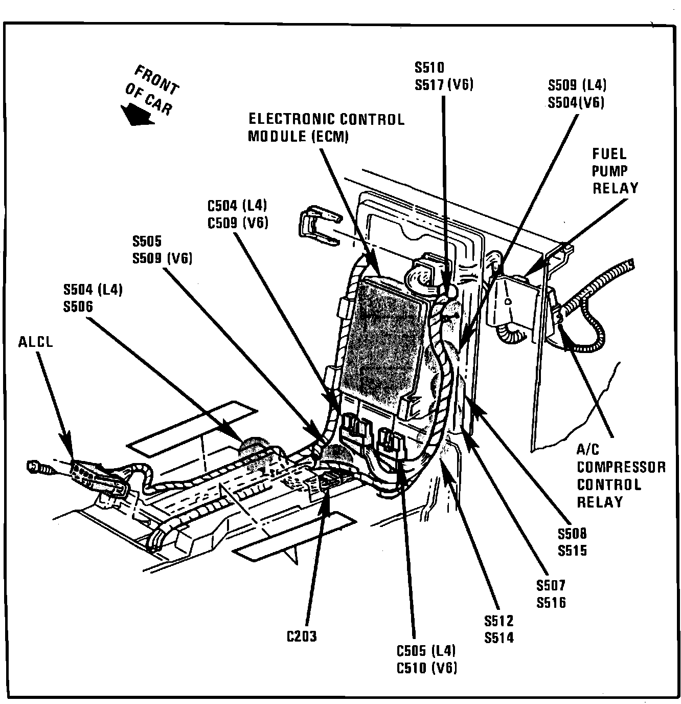
Electronic Control Module (ECM)

Rear Bulkhead Between Seats:




Between Seats, On Rear Bulkhead