lemon-mirror:
Home >> Pontiac >> 1985 >> Fiero L4-151 2.5L >> Repair and Diagnosis >> Diagrams >> Components >> Miscellaneous Components >> Tachometer Filter

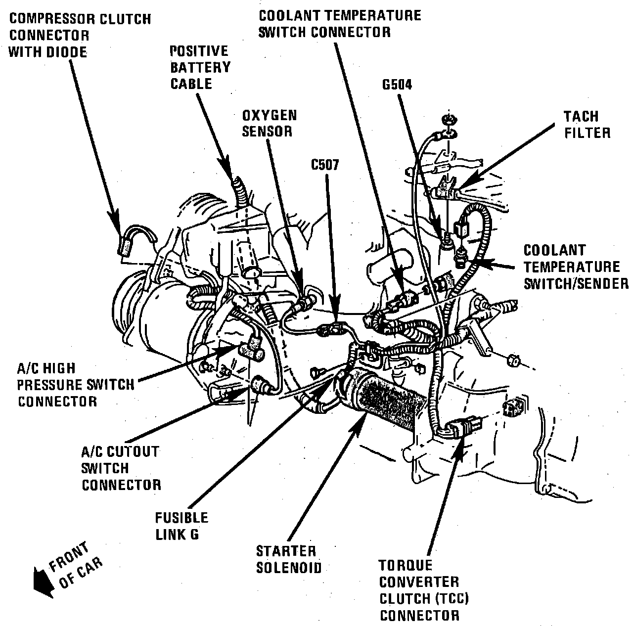
Tachometer Filter

Front Of 2.5L:




Taped To Engine Harness, LH End Of Engine

Applicable to: 5L Engine