lemon-mirror:
Home >> Pontiac >> 1983 >> 6000 L4-151 2.5L >> Repair and Diagnosis >> Specifications >> Mechanical Specifications >> Engine >> System Specifications

System Specifications

Torque & Engine Specifications:





Continued Engine Specifications:






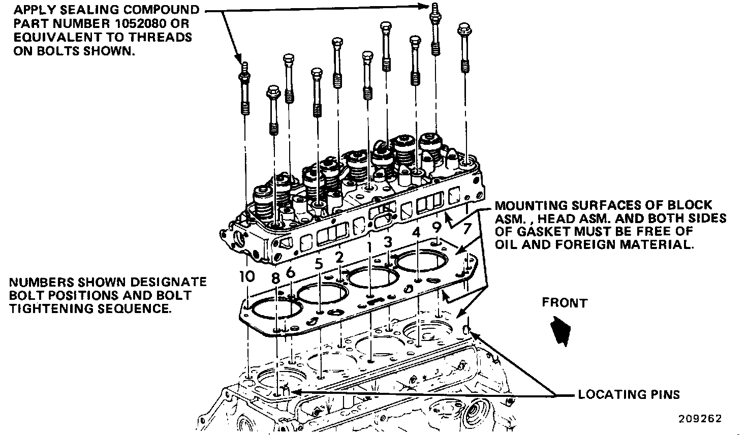
Cylinder Head Sequence:





Intake Manifold Sequence: