lemon-mirror:
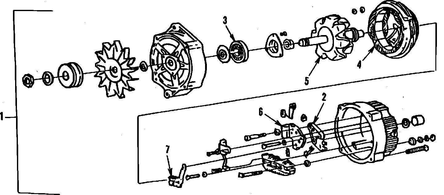
Home >> Pontiac >> 1982 >> Firebird L4-151 2.5L >> Parts and Labor >> Starting and Charging >> Charging System >> Images

Images

Charging System: