lemon-mirror:
Home >> Plymouth >> 1997 >> Neon L4-2.0L VIN C >> Repair and Diagnosis >> Diagrams >> Exploded Views >> Cylinder Block Assembly

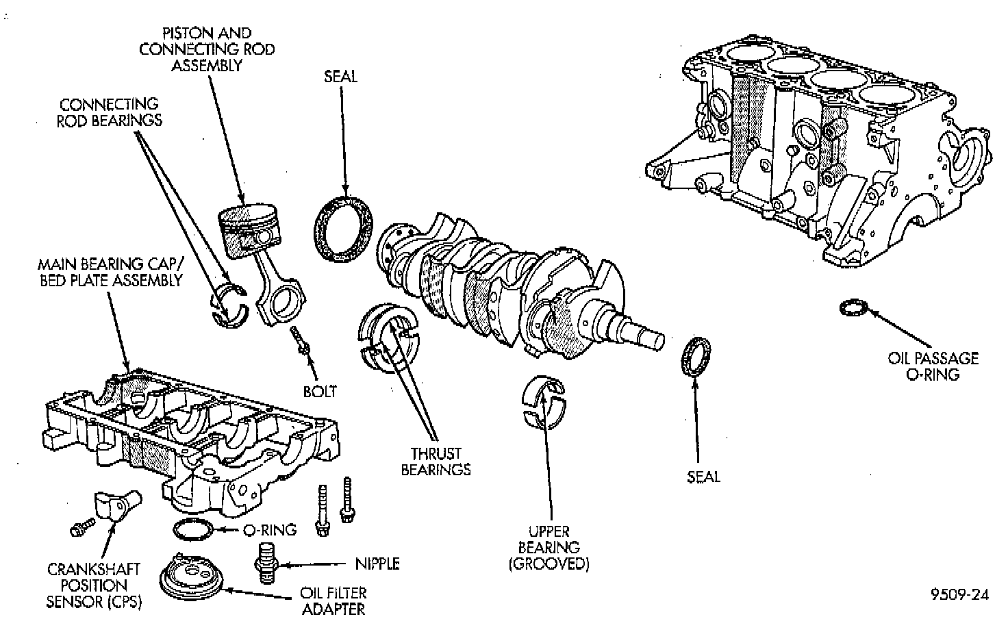
Cylinder Block Assembly