lemon-mirror:
Home >> Oldsmobile >> 1987 >> Calais FWD L4-151 2.5L >> Repair and Diagnosis >> Locations >> Component Locations >> Modules >> Dimmer Module

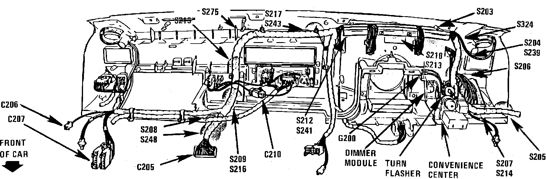
Dimmer Module

Behind I/P.:




Behind LH Side Of I/P Left Of Steering Column

Applicable to: 1987 Calais