lemon-mirror:
Home >> Oldsmobile >> 1982 >> Omega V6-173 2.8L >> Repair and Diagnosis >> Specifications >> Mechanical Specifications >> Engine >> System Specifications

System Specifications

Engine Specifications:





Engine Specifications:





Cylinder Head Bolt Torque Sequence:





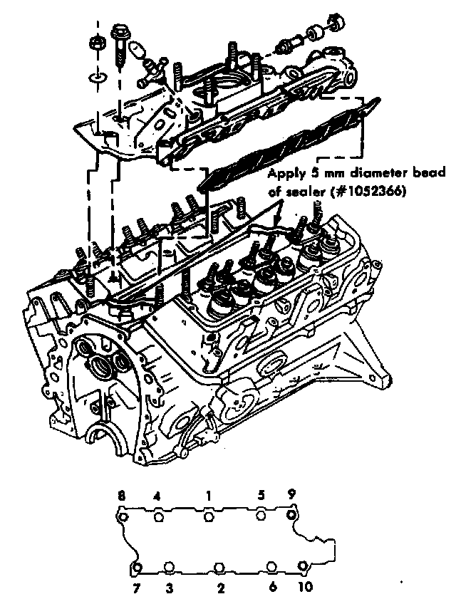
Intake Manifold Bolt Torque Sequence: