lemon-mirror:
Home >> Nissan-Datsun >> 2002 >> Sentra SE-R L4-2.5L (QR25DE) >> Repair and Diagnosis >> Diagrams >> Exploded Views >> Engine >> System Diagram

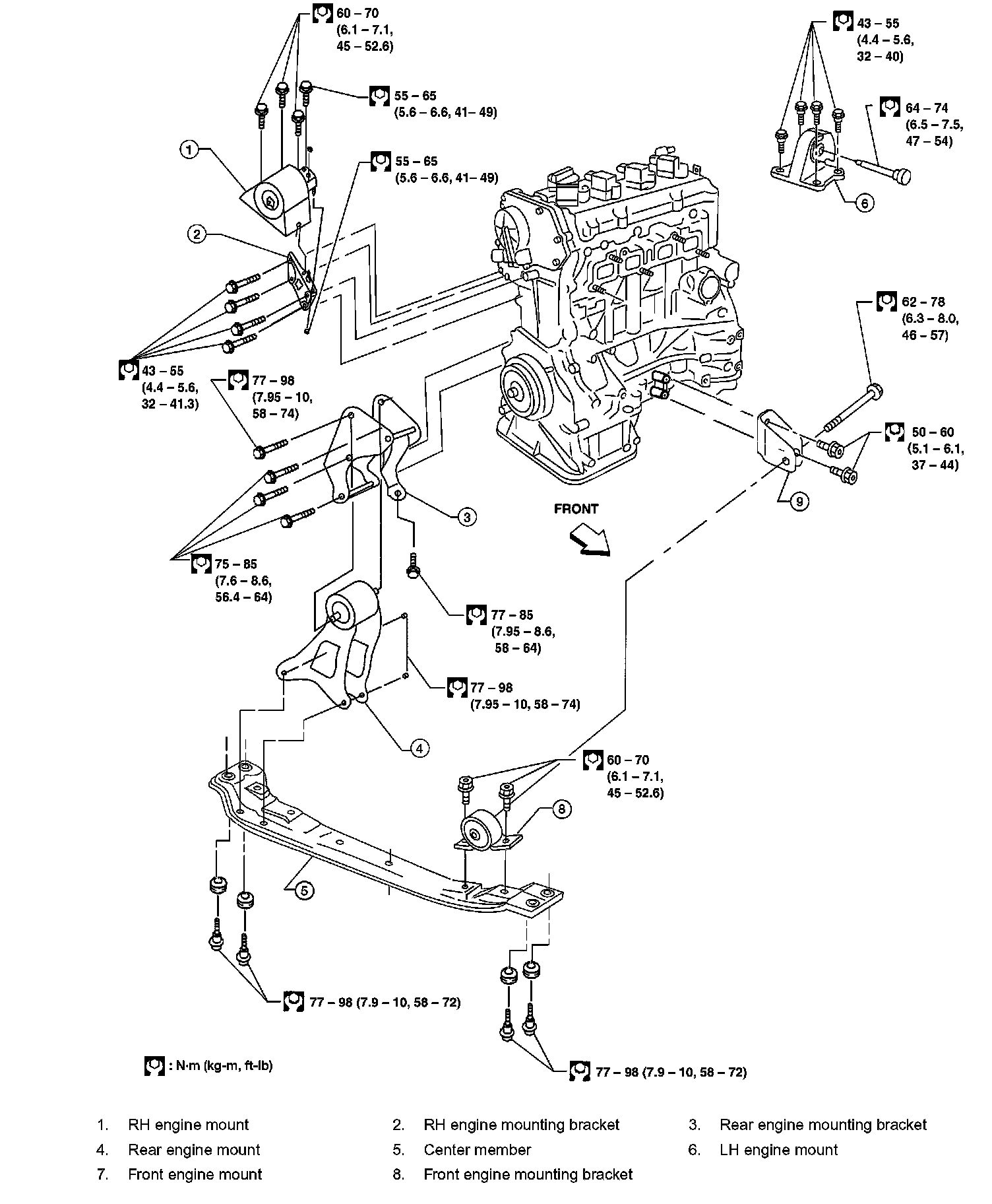
System Diagram