lemon-mirror:
Home >> Mitsubishi >> 2008 >> Raider 2WD V6-3.7L >> Repair and Diagnosis >> Power and Ground Distribution >> Power Distribution Module >> Description and Operation >> Module - Front Control

Module - Front Control

MODULE - FRONT CONTROL

DESCRIPTION




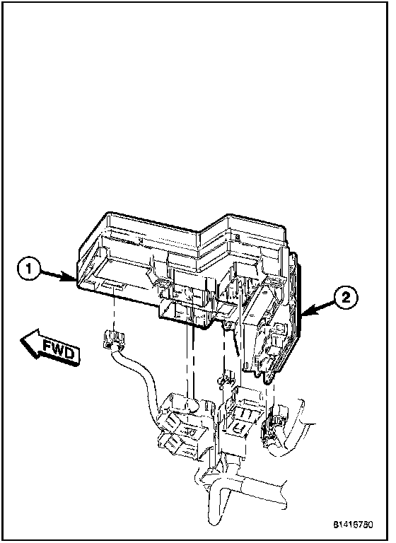
The Front Control Module (FCM) (2) is a micro controller based module located in the left front corner of the engine compartment. The FCM mates to the Power Distribution Center (PDC) (1) to form the Integrated Power Module (IPM). The IPM connects directly to the battery and provides the primary means of circuit protection and power distribution for all vehicle electrical systems. The front control module controls power to some of these vehicle systems electrical and electromechanical loads based on inputs received from hard wired switch inputs and data received on the Controller Area Network (CAN) bus circuit.

OPERATION

As messages are sent over the Controller Area Network (CAN) bus circuit, the Front Control Module (FCM) reads these messages and controls power to some of the vehicles electrical systems by completing the circuit to ground (low side driver) or completing the circuit to 12 volt power (high side driver). The following functions are controlled by the FCM:
- Front turn signals
- Stop, turn signal and tail lamps
- Front and rear hazard warning lamps
- Headlamps
- Fog Lamps
- Daytime running lamps-if equipped
- Horn
- Windshield and liftgate wiper and washer systems
- Transfer case shifting
- Trailer tow wiring output
- Rear window defroster power and timing

The FCM provides the following features for the above function:
- It operates the electric transfer case mechanism, replacing a stand-alone module.
- It flashes lamps in response to turn signal, Remote Keyless Entry and Vehicle Theft Security Alarm inputs.
- It sounds the horn in response to Remote Key-less Entry and Vehicle Theft Security Alarm inputs.
- It turns off the horn in the event of excessively long operation that could otherwise damage the horn.
- It minimized voltage variations to the headlamps to extend bulb life and to equalize the light output from the lamps, which might otherwise differ due to variations in wiring resistance.
- If the headlamps are left on, it automatically turns them off after eight minutes to protect the battery from discharge.
- It monitors battery voltage and turns off non-essential functions such as the fog lamps, rear window defogger and heated seats if necessary to conserve battery power.
- It operates the high-beam headlamps at reduced intensity by pulse-width modulation of the power supply to provide the daytime running lamps.
- It provides the variable delay intermittent windshield and liftgate wiper time delay features, and the vehicle speed sensitive windshield wiper delay variation.
- It acts as a gateway between the CAN-C network for critical powertrain and anti-lock brake systems and the CAN-B network for body and interior modules. For example it collects battery temperature data and relays it to the PCM.