lemon-mirror:
Home >> Mercury >> 2011 >> Milan FWD L4-2.5L >> Repair and Diagnosis >> Diagrams >> Exploded Views >> Engine Lubrication

Engine Lubrication




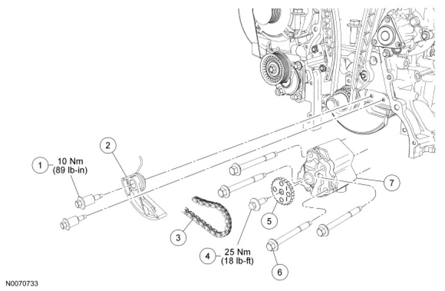
Engine Lubrication Components - Exploded View

Oil Filter Adapter, Oil Filter and Engine Oil Pressure (EOP) Switch










Transmission Bolts for Oil Pan Removal

NOTE: Automatic transmission shown, manual transmission similar.











Oil Pan, Oil Pump Screen and Pickup Tube










Oil Pump