lemon-mirror:
Home >> Mercury >> 2011 >> Mariner 2WD V6-3.0L >> Repair and Diagnosis >> Diagrams >> Exploded Views >> Air Filter Element

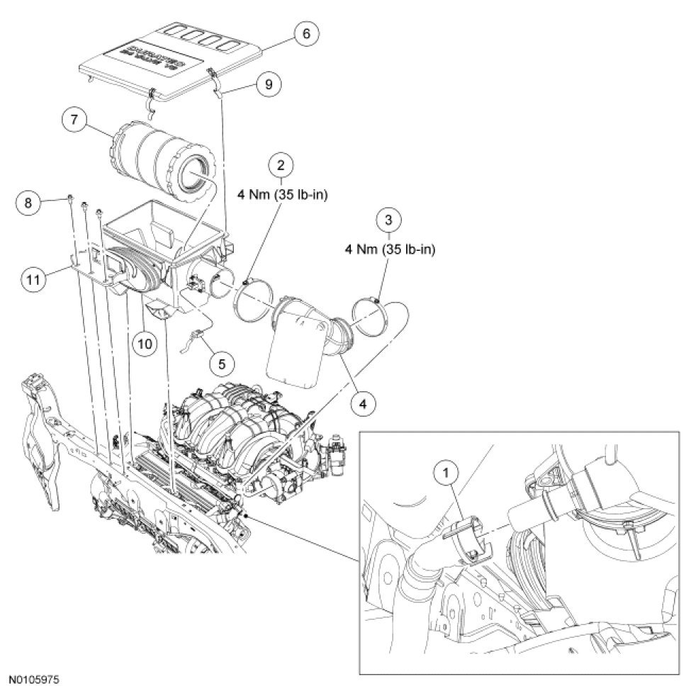
Air Filter Element




Intake Air System Components - Exploded View